A high-precision motion control strategy for valve-controlled cylinders
-
摘要: 阀控缸作为电液伺服系统的关键组成部分, 其运动精度直接决定了该系统的平稳性、响应速度及终端定位精度。然而, 该阀控缸系统在实际运行中常面临复杂的非线性摩擦、参数不确定性以及外部负载扰动等问题, 导致传统控制策略难以满足高精度定位的严苛要求。比例-积分-微分(PID)控制在应对强非线性和参数变化时鲁棒性不足, 易产生超调或稳态误差;而滑模控制虽具强鲁棒性, 但其固有的抖振现象会加剧机械磨损并影响定位精度。为攻克这一技术瓶颈, 文中提出了一种先进的基于快速动力学补偿项和非线性鲁棒反馈项的自适应鲁棒控制策略。为验证所提策略的有效性与优越性, 研究进行了详尽的对比仿真分析。结果表明, 相较于传统的PID控制和滑模控制(SMC), 文中设计的自适应鲁棒控制器在阀控缸运动过程中展现出显著提升的控制性能。Abstract: As a key actuator in electro-hydraulic servo systems, the motion precision of the valve-controlled cylinder is pivotal to the system's stability, responsiveness, and final positioning accuracy. Practical applications, however, are plagued by issues like nonlinear friction, parametric uncertainty, and external disturbances, which challenge conventional control methods. proportional-integral-derivative(PID) control exhibits poor robustness, while sliding mode control induces detrimental chattering. To overcome these drawbacks, an advanced adaptive robust control strategy featuring fast dynamic compensation and nonlinear robust feedback is proposed in this work. Comparative simulation results confirm the superior performance of the proposed controller over PID and sliding mode control(SMC) in tracking precision and robustness.
-
Key words:
- valve-controlled cylinder /
- high precision /
- motion control /
- adaptive robust control
-
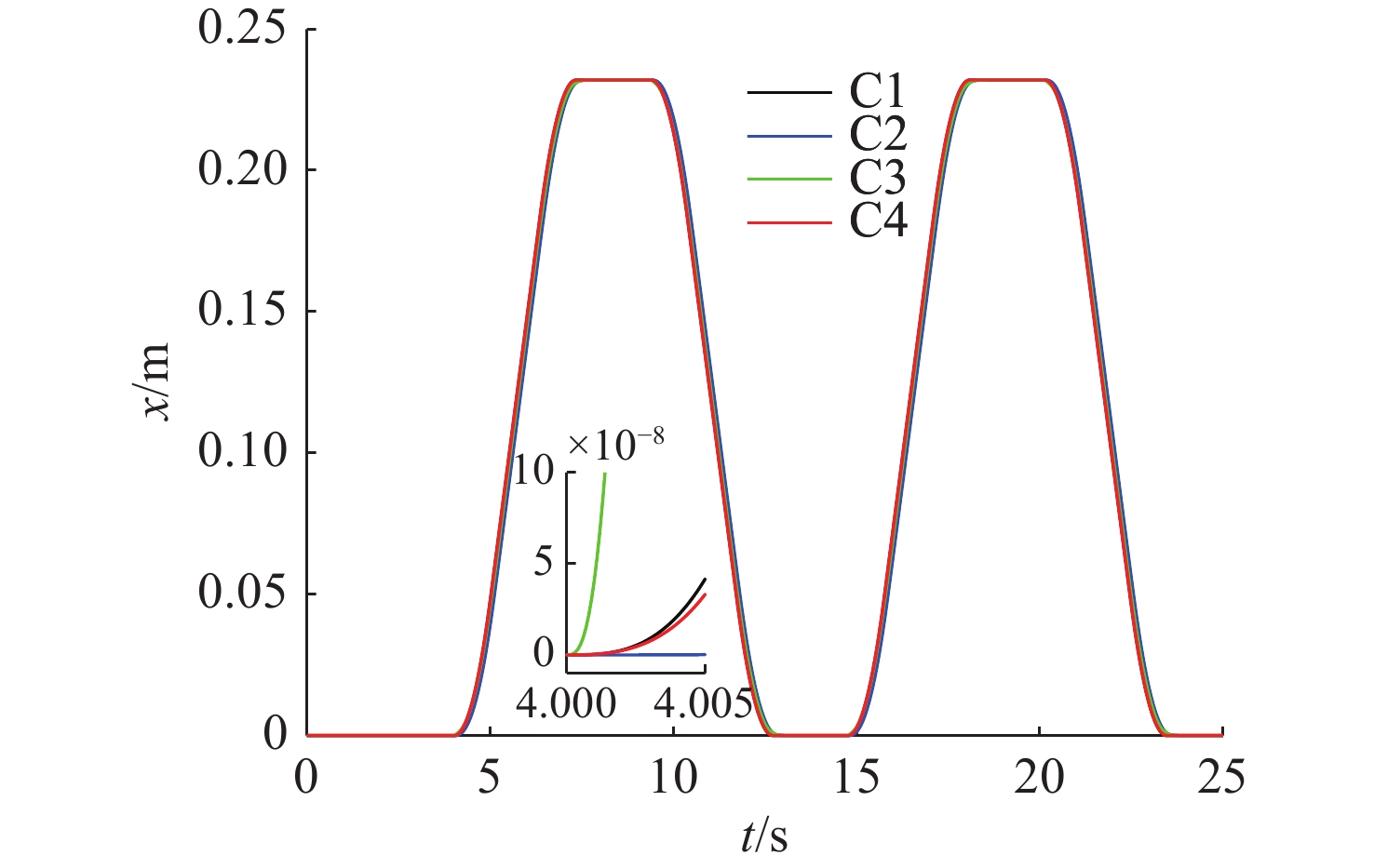
表 1 P2P轨迹控制效果评价
Table 1. Effect evaluation of P2P trajectory control
控制器 Me/m µe/m σe/m C2 9.586 314×10−3 3.558 723×10−3 4.035 888×10−3 C3 3.382 303×10−3 1.114 610×10−3 1.272 802×10−3 C4 1.001 255×10−5 3.713 325×10−6 4.242 131×10−6 表 2 正弦轨迹控制效果评价
Table 2. Effect evaluation of sine trajectory control
控制器 Me/m µe/m σe/m C2 1.107 421×10−2 7.0757 67×10−33.394 331×10−3 C3 3.378 842×10−3 2.195 073×10−3 1.062 460×10−3 C4 1.162 227×10−5 7.432 161×10−6 3.556 806×10−6 -
[1] 刘恒, 陶建峰, 孙炜, 等. 负载口独立阀控缸库普曼模型预测控制方法[J]. 中南大学学报(自然科学版), 2025, 56(3): 911-922.Liu H, Tao J F, Sun W, et al. Koopman model predictive control method for independent metering valve-controlled cylinder[J]. Journal of Central South University (Science and Technology), 2025, 56(3): 911-922. [2] 孟琭, 杨旭. 目标跟踪算法综述[J]. 自动化学报, 2019, 45(7): 1244-1260. doi: 10.12178/1001-0548.2021349Meng L, Yang X. Survey of object tracking algorithms[J]. Acta Automatica Sinica, 2019, 45(7): 1244-1260. doi: 10.12178/1001-0548.2021349 [3] 刘榛, 卢堃, 陆初觉. 液压升降台同步运行模型参考自适应控制中模型建立及研究[J]. 液压与气动, 2004, 6: 25-27. doi: 10.3969/j.issn.1000-4858.2004.06.009Liu Z, Lu K, Lu C J. The researching and modeling of model reference adaptive control to hydraulic lift stage[J]. Chinese Hydraulics & Pneumatics, 2004, 6: 25-27. doi: 10.3969/j.issn.1000-4858.2004.06.009 [4] Taheri A, Gustafsson P, Rösth M, et al. Nonlinear model learning for compensation and feedfor-ward control of real-world hydraulic actuators using gaussian processes[J]. IEEE Robotics and Automation Letters, 2022, 7(4): 9525-9532. doi: 10.1109/LRA.2022.3190808 [5] Chen Z, He L B B, Zhou Y, et al. An integrated trajectory planning and motion control strategy of a variable rotational speed pump-controlled electro-hydraulic actuator[J]. IEEE/ASME Trans-actions on Mechatronics, 2023, 28(1): 588-597. doi: 10.1109/TMECH.2022.3209873 [6] Li C, Lyu L, He L B, et al. Precision motion control of an independent metering hydraulic system with nonlinear flow modeling and compensa-tion[J]. IEEE Transactions on Industrial Electronics, 2022, 69(7): 7088-7098. doi: 10.1109/TIE.2021.3102434 [7] Cao Y, Li Y, Chen Y. Fractional order PID control for reduction of vibration and noise on induction motor[J]. IEEE Transactions on Industrial Electronics, 2018, 65(8): 6310-6319. doi: 10.1109/tmag.2019.2933176 [8] Chen C Y, Liu L Q, Cheng C C, et al. Fuzzy controller design for synchronous motion in a dual-cylinder electro-hydraulic system[J]. Control Engineering Practice, 2008, 16(6): 658-673. doi: 10.1016/j.conengprac.2007.08.005 [9] Yuan S H, Jia W K, Zhang X M. High-precision dynamic control method for water pressure based on sliding mode control[C]//2025 8th International Conference on Advanced Algo-rithms and Control Engineering (ICAACE). 2025: 1459-1463. [10] Kim D E, Lee D C. Feedback linearization control of three-phase UPS inverter systems[J]. IEEE Transactions on Industrial Electronics, 2010, 57(3): 963-968. doi: 10.1109/TIE.2009.2038404 [11] Chen Z, Lyu L T, Wang F, et al. Motion control of independent metering electro-hydraulic system based on chamber pressure planning without mode switch[J]. Journal of Mechanical Engineering, 2024, 60: 302-312. doi: 10.3901/jme.2024.02.302 [12] Xia Y X, Qi M Z, Lyu L T, et al. Ad-vanced motion control of hydraulic manipulator with precise compensation of dynamic friction[J]. IEEE Transactions on Industrial Informatics, 2024, 20(7): 9375-9384. doi: 10.1109/TII.2024.3384600 [13] 夏杨修, 吕立彤, 陈正, 等. 液压机械膏驱动关节的非线性摩擦力自适应补偿控制[J]. 液压与气动, 2024, 48(1): 20-30.Xia Y X, Lyu L T, Chen Z, et al. Adaptive compensation control of nonlinear friction for hydraulic-paste-driven joints[J]. Chinese Hydraulics & Pneumatics, 2024, 48(1): 20-30. -

下载: