优先发表
优先发表栏目展示本刊经同行评议确定正式录用的文章,这些文章目前处在编校过程,尚未确定卷期及页码,但可以根据DOI进行引用。
显示方式:
, 最新更新时间 , doi: 10.11993/j.issn.2096-3920.2025-0066
摘要:
针对任务环境愈发复杂, 任务节奏明显加快的问题, 传统的人工决策已无法满足需求, 亟需先进的辅助决策系统辅助决策者进行临机任务指挥, 为推动任务方案智能推荐方法的深入研究, 文章分析了近年来国内外该方向相关研究成果, 将智能推荐方法分为智能分析、智能匹配和智能学习三类, 详细阐述了各类方法的核心原理、技术路径及典型应用, 同时梳理分析了三类方法的优缺点, 明确了现有方法在动态适应性、自主决策能力、数据依赖以及可信度方面的不足, 最后展望了未来的发展方向, 为该领域后续研究提供了有价值参考。
针对任务环境愈发复杂, 任务节奏明显加快的问题, 传统的人工决策已无法满足需求, 亟需先进的辅助决策系统辅助决策者进行临机任务指挥, 为推动任务方案智能推荐方法的深入研究, 文章分析了近年来国内外该方向相关研究成果, 将智能推荐方法分为智能分析、智能匹配和智能学习三类, 详细阐述了各类方法的核心原理、技术路径及典型应用, 同时梳理分析了三类方法的优缺点, 明确了现有方法在动态适应性、自主决策能力、数据依赖以及可信度方面的不足, 最后展望了未来的发展方向, 为该领域后续研究提供了有价值参考。
, 最新更新时间 , doi: 10.11993/j.issn.2096-3920.2025-0079
摘要:
针对舰船轴频电场信号检测中目标信号弱且易被噪声掩盖的问题, 提出了一种基于“优先检测与选择性增强”原则的电场信号检测方法。首先利用自适应噪声完备集合经验模态分解(CEEMDAN)结合窄带功率谱能量峰值熵比(EPER)特征, 再通过滑动窗口与动态门限技术实现对目标信号的检测。信号检测成功后, 触发三稳态随机共振与变步长最小平均P范数(VSS-LMP)增强机制, 进一步增强目标信号的线谱特征, 并在此基础上实现目标信号特征频率的提取。仿真结果表明, 所提方法在信噪比为−12 dB的条件下检测准确率超过85%, 误检率在30%以下, 且能准确提取到目标信号特征频率, 为舰船弱电场信号的实时监测提供了可行的技术路径。
针对舰船轴频电场信号检测中目标信号弱且易被噪声掩盖的问题, 提出了一种基于“优先检测与选择性增强”原则的电场信号检测方法。首先利用自适应噪声完备集合经验模态分解(CEEMDAN)结合窄带功率谱能量峰值熵比(EPER)特征, 再通过滑动窗口与动态门限技术实现对目标信号的检测。信号检测成功后, 触发三稳态随机共振与变步长最小平均P范数(VSS-LMP)增强机制, 进一步增强目标信号的线谱特征, 并在此基础上实现目标信号特征频率的提取。仿真结果表明, 所提方法在信噪比为−12 dB的条件下检测准确率超过85%, 误检率在30%以下, 且能准确提取到目标信号特征频率, 为舰船弱电场信号的实时监测提供了可行的技术路径。
, 最新更新时间 , doi: 10.11993/j.issn.2096-3920.2025-0099
摘要:
现有集群协同定位研究多聚焦于绝对位置估计, 对节点间相对位置关系的关注较少。为简化测距模型并更直观地评估算法性能, 文中假定集群内部节点保持相对静止, 提出了一种基于半正定规划(SDP)优化测距的惯导误差校正方法, 在测距时刻对原始测距数据进行全局SDP优化后校正惯性导航系统(INS)的定位误差, 并对惯导系统存在的固有偏差进行误差补偿更新, 有效提升了集群内节点的相对定位精度。文中构建了集群协同定位模型, 推导节点位置的非线性最小二乘解算公式, 并开展惯导误差补偿机理分析。多次仿真结果表明: 与直接采用原始测距数据进行惯导校正的方法相比, 所提方法可使相对定位误差平均降低40%以上; 且随着测距更新间隔的增大, 其在惯导误差抑制方面的技术优势愈发显著。
现有集群协同定位研究多聚焦于绝对位置估计, 对节点间相对位置关系的关注较少。为简化测距模型并更直观地评估算法性能, 文中假定集群内部节点保持相对静止, 提出了一种基于半正定规划(SDP)优化测距的惯导误差校正方法, 在测距时刻对原始测距数据进行全局SDP优化后校正惯性导航系统(INS)的定位误差, 并对惯导系统存在的固有偏差进行误差补偿更新, 有效提升了集群内节点的相对定位精度。文中构建了集群协同定位模型, 推导节点位置的非线性最小二乘解算公式, 并开展惯导误差补偿机理分析。多次仿真结果表明: 与直接采用原始测距数据进行惯导校正的方法相比, 所提方法可使相对定位误差平均降低40%以上; 且随着测距更新间隔的增大, 其在惯导误差抑制方面的技术优势愈发显著。
, 最新更新时间 , doi: 10.11993/j.issn.2096-3920.2025-0082
摘要:
潜艇尾流切割地磁场产生的感应电磁场为潜艇非声学探测提供了新途径, 然而现有研究多集中于水面舰船或有限水深环境, 且未能深入揭示下潜深度在无限深水域中对尾流电磁场的调控规律。针对此问题, 文中基于麦克斯韦方程组和流体力学基本理论, 利用水下潜艇尾流感应电磁场的数学模型进行数值仿真, 并重点对比分析了下潜10 m与下潜50 m两种典型深度下的场分布特征。结果表明: 当潜艇在水下运动时, 其尾流速度场分布呈典型V字形分布。尾流感应电磁场沿航迹呈指数衰减; 研究清晰揭示了深度效应的差异化影响: 随着下潜深度增加, 感应磁场峰值显著减弱(从0.3 nT降至0.1 nT), 感应电场峰值增强(从1 μV/m增至3 μV/m); 本研究从理论与仿真层面揭示了潜深对电磁场的影响规律, 证实了针对不同潜深目标需采用差异化探测策略的可行性, 为深海目标探测提供了新的理论依据。
潜艇尾流切割地磁场产生的感应电磁场为潜艇非声学探测提供了新途径, 然而现有研究多集中于水面舰船或有限水深环境, 且未能深入揭示下潜深度在无限深水域中对尾流电磁场的调控规律。针对此问题, 文中基于麦克斯韦方程组和流体力学基本理论, 利用水下潜艇尾流感应电磁场的数学模型进行数值仿真, 并重点对比分析了下潜10 m与下潜50 m两种典型深度下的场分布特征。结果表明: 当潜艇在水下运动时, 其尾流速度场分布呈典型V字形分布。尾流感应电磁场沿航迹呈指数衰减; 研究清晰揭示了深度效应的差异化影响: 随着下潜深度增加, 感应磁场峰值显著减弱(从0.3 nT降至0.1 nT), 感应电场峰值增强(从1 μV/m增至3 μV/m); 本研究从理论与仿真层面揭示了潜深对电磁场的影响规律, 证实了针对不同潜深目标需采用差异化探测策略的可行性, 为深海目标探测提供了新的理论依据。
, 最新更新时间 , doi: 10.11993/j.issn.2096-3920.2025-0085
摘要:
针对目前齿轮传动系统均载特性试验未考虑齿侧间隙、轴偏心角等加工和安装误差等对均载特性的影响, 文中以定轴式功率三分支齿轮传动系统为研究对象, 搭建了齿轮传动系统均载特性试验台, 试验台设计中, 通过在轴承座处加装薄垫片实现齿侧间隙的精准调整, 通过定制偏心套结构实现轴偏心角度的可控调节。为探究均载特性的影响规律, 测试了不同工况下分流级与汇流级中心轮的齿根应力, 并采用温度补偿应变片消除温度干扰对测试精度的影响, 重点分析了负载、齿侧间隙及轴偏心角度与均载特性的关联关系。研究结果表明: 汇流级齿轮的均载特性优于分流级; 两级齿轮的均载效果均随载荷增大而提升; 轴偏心角度对齿轮均载特性的影响显著。
针对目前齿轮传动系统均载特性试验未考虑齿侧间隙、轴偏心角等加工和安装误差等对均载特性的影响, 文中以定轴式功率三分支齿轮传动系统为研究对象, 搭建了齿轮传动系统均载特性试验台, 试验台设计中, 通过在轴承座处加装薄垫片实现齿侧间隙的精准调整, 通过定制偏心套结构实现轴偏心角度的可控调节。为探究均载特性的影响规律, 测试了不同工况下分流级与汇流级中心轮的齿根应力, 并采用温度补偿应变片消除温度干扰对测试精度的影响, 重点分析了负载、齿侧间隙及轴偏心角度与均载特性的关联关系。研究结果表明: 汇流级齿轮的均载特性优于分流级; 两级齿轮的均载效果均随载荷增大而提升; 轴偏心角度对齿轮均载特性的影响显著。
, 最新更新时间 , doi: 10.11993/j.issn.2096-3920.2025-0075
摘要:
随着水下技术的不断发展, 水下仿生感知技术已成为推动海洋科学和技术发展的重要手段之一。水下仿生感知技术通过模仿水生生物的感知机制, 如海豹胡须感知、鱼类侧线系统及章鱼触手感知等, 可帮助水下机器人、可穿戴设备或其他水下系统实现更精确的目标识别、定位和信息采集能力。文中回顾了水下仿生感知技术的研究现状与发展历程, 重点介绍了仿生传感器的设计原理、材料选择及其在水下目标感知、水下机器人导航与避障及可穿戴设备中的应用。同时也探讨了水下仿生感知技术的实际应用前景及其面临的挑战, 展望了其在未来水下机器人、海洋探测与环境监测等领域的广阔应用前景。最后, 提出了进一步提升水下仿生感知技术性能、扩大其应用范围的可能方向。
随着水下技术的不断发展, 水下仿生感知技术已成为推动海洋科学和技术发展的重要手段之一。水下仿生感知技术通过模仿水生生物的感知机制, 如海豹胡须感知、鱼类侧线系统及章鱼触手感知等, 可帮助水下机器人、可穿戴设备或其他水下系统实现更精确的目标识别、定位和信息采集能力。文中回顾了水下仿生感知技术的研究现状与发展历程, 重点介绍了仿生传感器的设计原理、材料选择及其在水下目标感知、水下机器人导航与避障及可穿戴设备中的应用。同时也探讨了水下仿生感知技术的实际应用前景及其面临的挑战, 展望了其在未来水下机器人、海洋探测与环境监测等领域的广阔应用前景。最后, 提出了进一步提升水下仿生感知技术性能、扩大其应用范围的可能方向。
, 最新更新时间 , doi: 10.11993/j.issn.2096-3920.2025-0111
摘要:
船舶多振动源产生的辐射噪声, 严重影响民船舒适性与军舰隐身性能。准确预测其辐射噪声水平与分布, 可为船舶设计阶段的减振降噪优化提供关键支撑。针对船舶振动源数量多以及噪声辐射机制复杂的问题, 文中首先采用集成算法中的随机森林(RF)与梯度提升树(GBDT)算法, 对不同工况、不同测点的1/3倍频程噪声声压级开展快速预报, 并与贝叶斯岭回归(Bayesian Ridge Regression)模型的预报效果进行对比验证。4种测试工况的验证结果显示, 集成算法在3种工况下的预报效果优于贝叶斯岭回归, 平均绝对误差均小于5 dB; 进一步对上述模型进行优化, 通过在不同层次构建集成算法与线性算法的基础单元并组合, 形成辐射噪声联合预报方案, 其精度较单一集成算法提升1.5 dB。文中研究提出的集成算法及联合预报方案, 为船舶辐射噪声的快速精准分析提供了有效技术工具。
船舶多振动源产生的辐射噪声, 严重影响民船舒适性与军舰隐身性能。准确预测其辐射噪声水平与分布, 可为船舶设计阶段的减振降噪优化提供关键支撑。针对船舶振动源数量多以及噪声辐射机制复杂的问题, 文中首先采用集成算法中的随机森林(RF)与梯度提升树(GBDT)算法, 对不同工况、不同测点的1/3倍频程噪声声压级开展快速预报, 并与贝叶斯岭回归(Bayesian Ridge Regression)模型的预报效果进行对比验证。4种测试工况的验证结果显示, 集成算法在3种工况下的预报效果优于贝叶斯岭回归, 平均绝对误差均小于5 dB; 进一步对上述模型进行优化, 通过在不同层次构建集成算法与线性算法的基础单元并组合, 形成辐射噪声联合预报方案, 其精度较单一集成算法提升1.5 dB。文中研究提出的集成算法及联合预报方案, 为船舶辐射噪声的快速精准分析提供了有效技术工具。
, 最新更新时间 , doi: 10.11993/j.issn.2096-3920.2025-0114
摘要:
针对深度学习模型在船舶辐射噪声识别中由数据短缺导致的泛化能力受限问题, 文中提出了权重-特征双低秩迁移学习框架。该框架从模型权重和特征表达两个维度协同展开低秩优化: 在权重空间, 冻结预训练权重, 通过轻量化低秩权重调整(WLoRA)模块构建可学习低秩权重更新, 以较少参数量完成权重微调, 从而降低过拟合风险; 在特征空间, 基于船舶辐射噪声Mel时频谱的内在低秩结构, 通过低秩特征调整(FLoRA)模块对特征进行压缩和重构, 从而显式约束模型学习低秩特征。该框架充分考虑了Mel时频谱的固有低秩结构, 深入挖掘预训练模型潜力, 有效提升了迁移学习性能。通过ShipsEar和Deepship两个公开数据集的实验证明, 相对于直接微调预训练模型, 所提出方法能够有效提升迁移学习在船舶辐射嗓声分类模型中的性能。进一步的消融实验验证了两个低秩模块的有效性。
针对深度学习模型在船舶辐射噪声识别中由数据短缺导致的泛化能力受限问题, 文中提出了权重-特征双低秩迁移学习框架。该框架从模型权重和特征表达两个维度协同展开低秩优化: 在权重空间, 冻结预训练权重, 通过轻量化低秩权重调整(WLoRA)模块构建可学习低秩权重更新, 以较少参数量完成权重微调, 从而降低过拟合风险; 在特征空间, 基于船舶辐射噪声Mel时频谱的内在低秩结构, 通过低秩特征调整(FLoRA)模块对特征进行压缩和重构, 从而显式约束模型学习低秩特征。该框架充分考虑了Mel时频谱的固有低秩结构, 深入挖掘预训练模型潜力, 有效提升了迁移学习性能。通过ShipsEar和Deepship两个公开数据集的实验证明, 相对于直接微调预训练模型, 所提出方法能够有效提升迁移学习在船舶辐射嗓声分类模型中的性能。进一步的消融实验验证了两个低秩模块的有效性。
, 最新更新时间 , doi: 10.11993/j.issn.2096-3920.2025-0089
摘要:
针对在仅有单通道信号可用的极端条件下, 难以从混合信号中分离出不同目标舰船辐射噪声信号问题, 开展单通道盲源分离算法研究。提出一种基于变分模态分解(VMD)改进快速独立成分分析(FastICA)的舰船辐射噪声盲源分离算法。在单通道条件下, 首先通过VMD将单通道信号分解为频率成分相对独立的多阶模态, 初步实现独立频率成分的分离; 而后将各阶模态组合为虚拟多通道信号, 解决FastICA无法处理单通道信号的问题; 最后通过FastICA对虚拟多通道信号进行处理, 进一步分离独立信号成分, 从而实现单通道舰船辐射噪声盲源分离。仿真与试验数据分析结果显示, VMD-FastICA算法分离的目标信号与原目标信号的相似度, 较奇异谱分析-独立成分分析(SSA-ICA)算法均有提升, 表明其在单通道舰船辐射噪声信号盲源分离中效果良好, 可能够实现单通道条件下不同目标舰船辐射噪声信号的有效分离。
针对在仅有单通道信号可用的极端条件下, 难以从混合信号中分离出不同目标舰船辐射噪声信号问题, 开展单通道盲源分离算法研究。提出一种基于变分模态分解(VMD)改进快速独立成分分析(FastICA)的舰船辐射噪声盲源分离算法。在单通道条件下, 首先通过VMD将单通道信号分解为频率成分相对独立的多阶模态, 初步实现独立频率成分的分离; 而后将各阶模态组合为虚拟多通道信号, 解决FastICA无法处理单通道信号的问题; 最后通过FastICA对虚拟多通道信号进行处理, 进一步分离独立信号成分, 从而实现单通道舰船辐射噪声盲源分离。仿真与试验数据分析结果显示, VMD-FastICA算法分离的目标信号与原目标信号的相似度, 较奇异谱分析-独立成分分析(SSA-ICA)算法均有提升, 表明其在单通道舰船辐射噪声信号盲源分离中效果良好, 可能够实现单通道条件下不同目标舰船辐射噪声信号的有效分离。
, 最新更新时间 , doi: 10.11993/j.issn.2096-3920.2025-0072
摘要:
水下拖曳体是水下航行器的重要部件, 为满足其拖缆设计及释放过程中姿态稳定的需求, 文中开展了相关研究。首先, 采用重叠网格技术与可实现的\begin{document}$k - \varepsilon $\end{document} ![]()
![]()
湍流模型, 构建拖曳体流体动力学模型, 并对其释放过程进行非定常数值仿真; 随后, 通过试验结果验证了网格划分与数值方法的有效性。在此基础上研究进一步系统分析了三大关键因素对水下拖曳体释放过程的影响规律, 仿真结果表明: 拖曳速度影响拖曳体的稳定时间与姿态稳定过程, 需根据拖曳体结构确定最佳拖曳速度; 重浮心位置对拖曳体释放动力学特性作用显著, 重心前移设计可减小拖曳体振荡、提升系统稳定性, 且重心与浮心接近时, 拖曳体姿态调整时间更短、运动更平稳; 拖曳点应选在拖曳体头部下方, 以减小释放过程中俯仰角的变化、提高释放稳定性。研究结果为水下拖曳体的工程设计与释放策略提供了重要理论依据。
水下拖曳体是水下航行器的重要部件, 为满足其拖缆设计及释放过程中姿态稳定的需求, 文中开展了相关研究。首先, 采用重叠网格技术与可实现的
, 最新更新时间 , doi: 10.11993/j.issn.2096-3920.2025-0094
摘要:
针对水下可见光图像因水体散射、吸收导致的噪声干扰、纹理模糊、颜色失真问题, 以及传统增强算法计算量大且基本耗时长的缺陷, 文中提出一种基于多尺度卷积神经网络的水下图像增强算法。该算法核心设计如下: 一是采用U-Net结构, 融合浅层纹理特征与深层语义特征, 有效恢复图像纹理细节与颜色信息; 二是引入轻量化特征提取模块, 在减少模型参数的同时加快网络收敛速度; 三是在主干网络中嵌入多尺度金字塔池化, 强化多尺度特征提取能力, 弥补传统算法细节恢复不足的短板; 四是采用L1损失与结构相似性损失(SSIM)联合优化, 提升图像亮度与对比度的恢复效果。为满足工程应用低延时需求, 算法经量化后部署于嵌入式平台, 通过调嵌入式神经网络处理器(NPU)资源加速推理, 在Atlas200IA2上的前向推理耗时仅28 ms。公开水下数据集的实验结果表明, 该算法在测试集上的水下图像质量度量(UIQM)与水下彩色图像质量评估(UCIQE)指标分别达到4.33和0.63, 验证了其增强效果的有效性。
针对水下可见光图像因水体散射、吸收导致的噪声干扰、纹理模糊、颜色失真问题, 以及传统增强算法计算量大且基本耗时长的缺陷, 文中提出一种基于多尺度卷积神经网络的水下图像增强算法。该算法核心设计如下: 一是采用U-Net结构, 融合浅层纹理特征与深层语义特征, 有效恢复图像纹理细节与颜色信息; 二是引入轻量化特征提取模块, 在减少模型参数的同时加快网络收敛速度; 三是在主干网络中嵌入多尺度金字塔池化, 强化多尺度特征提取能力, 弥补传统算法细节恢复不足的短板; 四是采用L1损失与结构相似性损失(SSIM)联合优化, 提升图像亮度与对比度的恢复效果。为满足工程应用低延时需求, 算法经量化后部署于嵌入式平台, 通过调嵌入式神经网络处理器(NPU)资源加速推理, 在Atlas200IA2上的前向推理耗时仅28 ms。公开水下数据集的实验结果表明, 该算法在测试集上的水下图像质量度量(UIQM)与水下彩色图像质量评估(UCIQE)指标分别达到4.33和0.63, 验证了其增强效果的有效性。
, 最新更新时间 , doi: 10.11993/j.issn.2096-3920.2025-0077
摘要:
航行体经水下冰层孔洞的入水过程, 在极地海洋探测器的投放以及极地区域相关装备的部署策略中, 具有重要工程意义。然而, 当前对冰层孔洞结构下航行体入水行为的研究仍较为有限, 尤其缺乏对孔洞约束下空泡演化机制与航行体动力响应之间耦合关系的系统认识。为此, 文中采用基于CFD的数值仿真方法, 针对航行体穿过水下冰层孔洞的入水过程开展深入研究, 重点揭示孔洞几何约束条件下流场结构、空泡演化与航行体运动状态之间的耦合特征。研究结果表明, 航行体穿越冰层孔洞的过程中, 入水空泡先收缩后膨胀, 流体阻力同步呈现先增后减的趋势; 随着航行体逐步穿过孔洞, 其壁面周围流速显著提升, 尾部流场的不对称性进一步加剧; 此外, 航行体穿越孔洞期间速度明显下降, 这一变化的转折点与空泡溃灭时间基本吻合; 当航行体完全穿过孔洞后, 运动轨迹发生偏转。上述发现不仅丰富了孔洞结构约束条件下入水动力学的理解, 也为极地探测器投放路径设计及结构优化提供了理论依据。
航行体经水下冰层孔洞的入水过程, 在极地海洋探测器的投放以及极地区域相关装备的部署策略中, 具有重要工程意义。然而, 当前对冰层孔洞结构下航行体入水行为的研究仍较为有限, 尤其缺乏对孔洞约束下空泡演化机制与航行体动力响应之间耦合关系的系统认识。为此, 文中采用基于CFD的数值仿真方法, 针对航行体穿过水下冰层孔洞的入水过程开展深入研究, 重点揭示孔洞几何约束条件下流场结构、空泡演化与航行体运动状态之间的耦合特征。研究结果表明, 航行体穿越冰层孔洞的过程中, 入水空泡先收缩后膨胀, 流体阻力同步呈现先增后减的趋势; 随着航行体逐步穿过孔洞, 其壁面周围流速显著提升, 尾部流场的不对称性进一步加剧; 此外, 航行体穿越孔洞期间速度明显下降, 这一变化的转折点与空泡溃灭时间基本吻合; 当航行体完全穿过孔洞后, 运动轨迹发生偏转。上述发现不仅丰富了孔洞结构约束条件下入水动力学的理解, 也为极地探测器投放路径设计及结构优化提供了理论依据。
, 最新更新时间 , doi: 10.11993/j.issn.2096-3920.2025-0076
摘要:
针对欠驱动自主水下航行器(AUV)在复杂海洋环境中水平面轨迹跟踪控制难度大、抗干扰能力弱的问题, 提出一种基于径向基函数(RBF)神经网络的欠驱动AUV反步积分滑模轨迹跟踪控制方法。首先, 运用反步控制方法设计运动学控制器, 得到虚拟控制律和实际控制输入; 其次, 在动力学控制器中, 引入积分滑模控制, 考虑系统的不确定因素及可能存在的外部干扰, 同时引入RBF神经网络在线逼近系统未知非线性项, 有效解决传统滑模控制中抖振效应与参数不确定性之间的矛盾; 最后, 将误差作为RBF神经网络的输入, RBF神经网络的输出作为切换控制, 从而实现滑模控制律的在线调整。仿真结果表明: 通过与传统的反步滑模控制进行比较, 文中方法可有效消除传统滑模控制中切换项引起的抖振问题, 使系统具有良好的鲁棒性。
针对欠驱动自主水下航行器(AUV)在复杂海洋环境中水平面轨迹跟踪控制难度大、抗干扰能力弱的问题, 提出一种基于径向基函数(RBF)神经网络的欠驱动AUV反步积分滑模轨迹跟踪控制方法。首先, 运用反步控制方法设计运动学控制器, 得到虚拟控制律和实际控制输入; 其次, 在动力学控制器中, 引入积分滑模控制, 考虑系统的不确定因素及可能存在的外部干扰, 同时引入RBF神经网络在线逼近系统未知非线性项, 有效解决传统滑模控制中抖振效应与参数不确定性之间的矛盾; 最后, 将误差作为RBF神经网络的输入, RBF神经网络的输出作为切换控制, 从而实现滑模控制律的在线调整。仿真结果表明: 通过与传统的反步滑模控制进行比较, 文中方法可有效消除传统滑模控制中切换项引起的抖振问题, 使系统具有良好的鲁棒性。
, 最新更新时间 , doi: 10.11993/j.issn.2096-3920.2025-0109
摘要:
基于雷诺平均方程(RANS)方法, 耦合多重参考系(MRF)模型与重叠网格技术, 建立适用于自航式布放UUV等双体分离问题的数值计算方法。针对自航式布放UUV的水动力特性, 选取多个定常工况, 对比分析了典型回转体UUV在布放状态与自由状态下的水动力特性差异。研究表明: 在布放装置尾流场下UUV受到显著的干扰, 包含阻力系数、升力系数和俯仰力矩系数在内的位置力系数变化在7.12%~343.04%, 旋转力系数变化在22.81%~97.16%, 操舵力系数变化在11.83%~164.98%, 操纵性对比自由状态显著减弱。文中通过分析自航式布放UUV水动力特性的变化, 揭示尾流场干扰特性, 能为布放方案的优化和控制策略设计提供一定理论依据。
基于雷诺平均方程(RANS)方法, 耦合多重参考系(MRF)模型与重叠网格技术, 建立适用于自航式布放UUV等双体分离问题的数值计算方法。针对自航式布放UUV的水动力特性, 选取多个定常工况, 对比分析了典型回转体UUV在布放状态与自由状态下的水动力特性差异。研究表明: 在布放装置尾流场下UUV受到显著的干扰, 包含阻力系数、升力系数和俯仰力矩系数在内的位置力系数变化在7.12%~343.04%, 旋转力系数变化在22.81%~97.16%, 操舵力系数变化在11.83%~164.98%, 操纵性对比自由状态显著减弱。文中通过分析自航式布放UUV水动力特性的变化, 揭示尾流场干扰特性, 能为布放方案的优化和控制策略设计提供一定理论依据。
, 最新更新时间 , doi: 10.11993/j.issn.2096-3920.2025-0058
摘要:
目前针对水下运载器与水下推进器的研究主要集中在运载器流体外形结构、动力能源、水声通信以及声呐导航等方向, 从人因工程学角度对水下运载器航行稳定性展开的研究较为少见。因此, 文中基于人因工程学理论, 针对潜水员操控水下运载器时重心分布、使用潜水装具的不同以及疲劳度等3个人因工程因素, 以某水下运载器为试验载体, 开展理论研究与试验分析。最后总结水下运载器人因工程优化方向, 为未来水下运载器的发展与设计提供新的研究思路。
目前针对水下运载器与水下推进器的研究主要集中在运载器流体外形结构、动力能源、水声通信以及声呐导航等方向, 从人因工程学角度对水下运载器航行稳定性展开的研究较为少见。因此, 文中基于人因工程学理论, 针对潜水员操控水下运载器时重心分布、使用潜水装具的不同以及疲劳度等3个人因工程因素, 以某水下运载器为试验载体, 开展理论研究与试验分析。最后总结水下运载器人因工程优化方向, 为未来水下运载器的发展与设计提供新的研究思路。
, 最新更新时间 , doi: 10.11993/j.issn.2096-3920.2025-0069
摘要:
针对现有深海潜标通信方式存在的通信模式有限、可靠性低、扩展性弱及功耗高等问题, 提出一种基于多源通信链路的跨域中继浮标通信系统设计方法。首先, 介绍了浮标通信系统的组成、工作原理及其工作模式, 并阐述了具备多源通信手段和高扩展性的系统硬件设计方案; 其次, 提出一种最优通信链路选择策略, 该策略能够根据各通信链路实时状态完成最优通信链路的动态选择, 从而提升系统通信可靠性和稳定性, 同时, 引入了数据重发机制, 以有效应对通信中断、数据丢包等通信异常情况, 进而确保系统通信准确性与完整性; 最后, 对系统电源管理与功耗优化进行设计, 并提出了一种低功耗控制策略, 以实现系统电源精细化控制与低功耗运行。试验结果表明, 文中所提浮标通信系统设计方法有效可行, 可解决深海潜标通信问题, 实现远距离实时数据传输, 为水下探测装备信息传输提供技术支撑。
针对现有深海潜标通信方式存在的通信模式有限、可靠性低、扩展性弱及功耗高等问题, 提出一种基于多源通信链路的跨域中继浮标通信系统设计方法。首先, 介绍了浮标通信系统的组成、工作原理及其工作模式, 并阐述了具备多源通信手段和高扩展性的系统硬件设计方案; 其次, 提出一种最优通信链路选择策略, 该策略能够根据各通信链路实时状态完成最优通信链路的动态选择, 从而提升系统通信可靠性和稳定性, 同时, 引入了数据重发机制, 以有效应对通信中断、数据丢包等通信异常情况, 进而确保系统通信准确性与完整性; 最后, 对系统电源管理与功耗优化进行设计, 并提出了一种低功耗控制策略, 以实现系统电源精细化控制与低功耗运行。试验结果表明, 文中所提浮标通信系统设计方法有效可行, 可解决深海潜标通信问题, 实现远距离实时数据传输, 为水下探测装备信息传输提供技术支撑。
, 最新更新时间 , doi: 10.11993/j.issn.2096-3920.2025-0104
摘要:
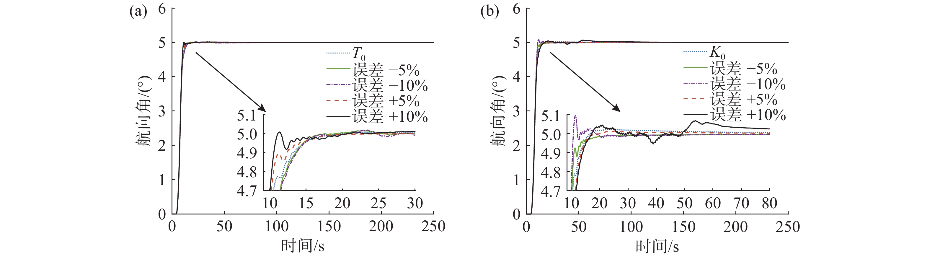
高速无人船(USV)航向控制中, 同时存在前向通道与反馈回路的时滞环节, 并且具有较大的延迟/动态时间比, 显著降低航向控制性能。传统Smith预估器能有效补偿前向通道时滞, 但未考虑反馈回路的时滞。为此, 文中将反馈回路时滞纳入Smith预估器设计, 构建包含双向时滞的预测模型, 同时补偿前向通道与反馈回路的时滞, 减少双向时滞的系统相位裕度侵蚀。进一步, 引入混合均值中心反向学习粒子群优化(HCOPSO)算法进行比例-积分-微分(PID)控制器参数寻优整定, 该算法在迭代前期利用均值中心反向学习策略扩大搜索范围, 后期通过自适应压缩因子实现精细寻优, 兼具全局探索与局部开发的优势, 有效解决寻优过程的局部最优解问题。基于无人船航向模型进行了仿真测试, 结果表明, 改进Smith预估PID控制器相较于常规PID控制器、传统Smith预估PID控制器, 使系统的超调量和调节时间均得到了改善, 稳态误差小于0.1°; 并且当改进Smith预估补偿模型存在误差时, 系统依然能够保持良好的动态性能与稳态精度。同时, 针对改进Smith预估PID控制器, 进一步对比分析了HCOPSO算法与粒子群优化算法(PSO)、遗传算法(GA)、鲸鱼优化算法(WOA)的参数寻优, 对比分析了环境干扰下HCOPSO算法与其他算法的航向控制性能。结果表明, HCOPSO算法获得的时间加权绝对误差积分(ITAE)指标较PSO、GA、WOA等算法分别降低了55.38%、22.47%和24.63%, 并表现出较强的扰动抑制能力与航向保持能力, 验证了其有效性。
高速无人船(USV)航向控制中, 同时存在前向通道与反馈回路的时滞环节, 并且具有较大的延迟/动态时间比, 显著降低航向控制性能。传统Smith预估器能有效补偿前向通道时滞, 但未考虑反馈回路的时滞。为此, 文中将反馈回路时滞纳入Smith预估器设计, 构建包含双向时滞的预测模型, 同时补偿前向通道与反馈回路的时滞, 减少双向时滞的系统相位裕度侵蚀。进一步, 引入混合均值中心反向学习粒子群优化(HCOPSO)算法进行比例-积分-微分(PID)控制器参数寻优整定, 该算法在迭代前期利用均值中心反向学习策略扩大搜索范围, 后期通过自适应压缩因子实现精细寻优, 兼具全局探索与局部开发的优势, 有效解决寻优过程的局部最优解问题。基于无人船航向模型进行了仿真测试, 结果表明, 改进Smith预估PID控制器相较于常规PID控制器、传统Smith预估PID控制器, 使系统的超调量和调节时间均得到了改善, 稳态误差小于0.1°; 并且当改进Smith预估补偿模型存在误差时, 系统依然能够保持良好的动态性能与稳态精度。同时, 针对改进Smith预估PID控制器, 进一步对比分析了HCOPSO算法与粒子群优化算法(PSO)、遗传算法(GA)、鲸鱼优化算法(WOA)的参数寻优, 对比分析了环境干扰下HCOPSO算法与其他算法的航向控制性能。结果表明, HCOPSO算法获得的时间加权绝对误差积分(ITAE)指标较PSO、GA、WOA等算法分别降低了55.38%、22.47%和24.63%, 并表现出较强的扰动抑制能力与航向保持能力, 验证了其有效性。
, 最新更新时间 , doi: 10.11993/j.issn.2096-3920.2025-0061
摘要:
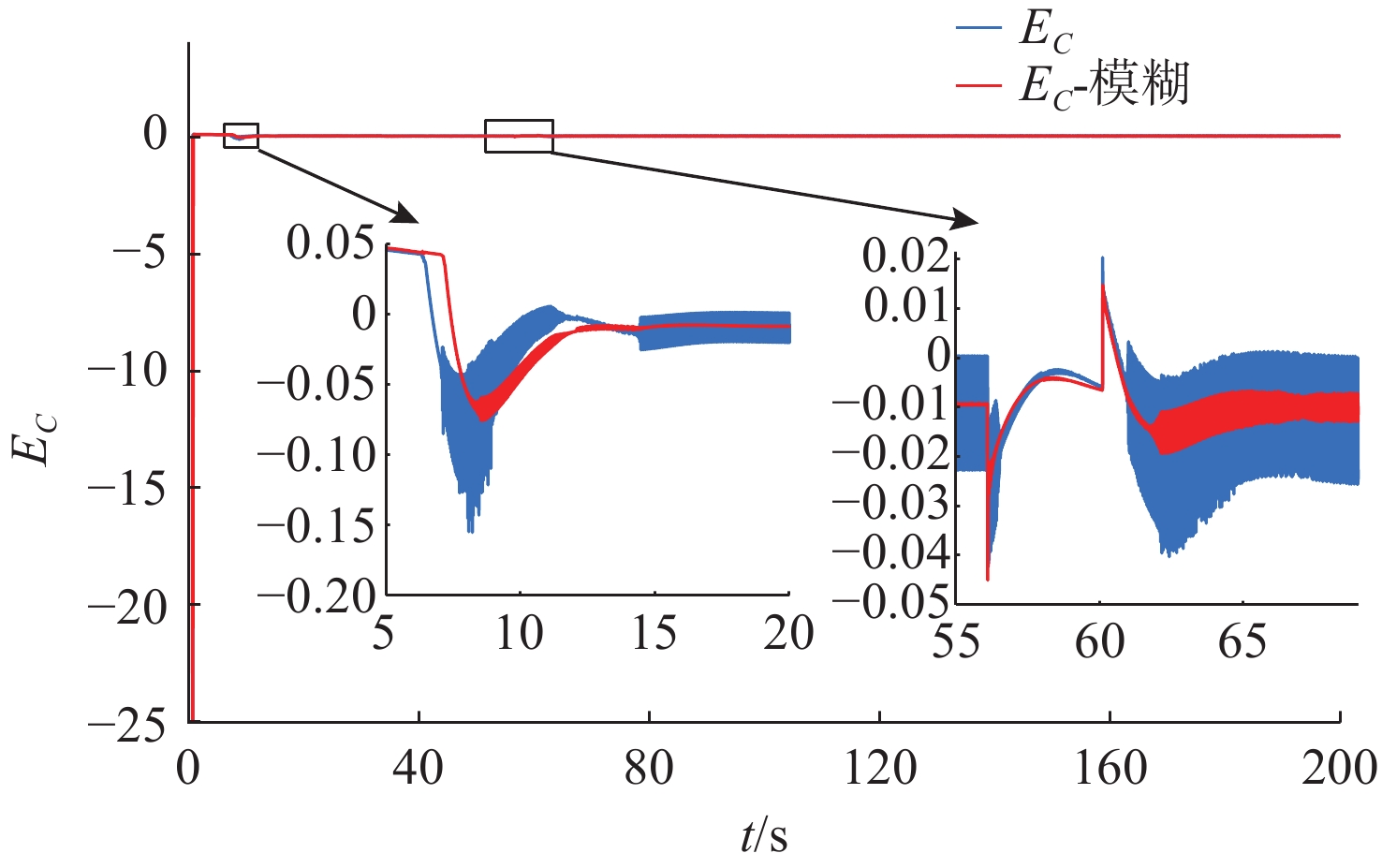
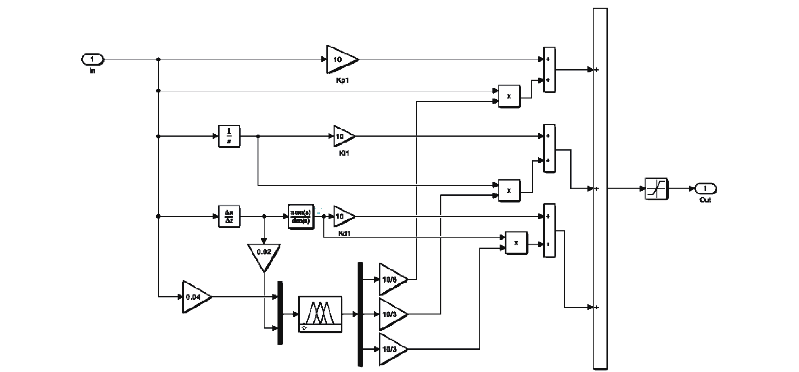
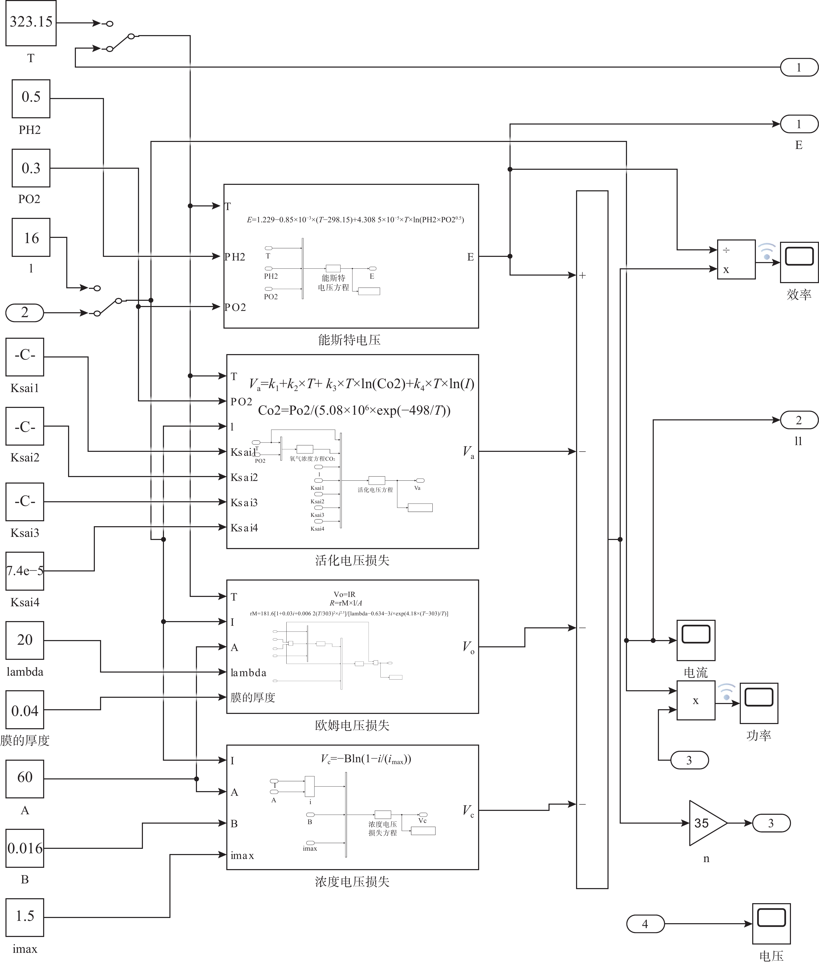
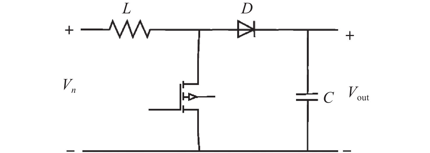
针对水下无人动力平台对高效、稳定能源系统的需求, 文中聚焦质子交换膜燃料电池(PEMFC)输出电压强非线性、易波动的难题, 提出一种基于模糊比例-积分-微分(PID)自适应控制的DC-DC变换器稳压策略。PEMFC输出电压因强非线性特性且易波动, 传统控制方法在动态响应与鲁棒性上存在局限。为此, 建立了PEMFC数学模型(含能斯特电压及活化、欧姆、浓差损失)及Boost升压电路模型, 剖析其电压波动机理。设计了一种模糊PID控制器, 其规则库深度耦合PID控制原则与PEMFC非线性特性, 实现了比例、积分、微分参数的在线动态自整定, 从而实时优化DC-DC变换器占空比。结果表明: 相较于传统PID, 模糊PID控制可将系统调节时间缩短, 稳态误差趋近于零, 在电流突变工况下输出电压波动范围缩小至±0.5 V以内, 且占空比响应更精准。该模糊PID自适应策略显著增强了系统的动态响应速度与鲁棒性, 为水下无人平台能源心脏的高效、稳定波动提供了可靠的理论基石与解决方案。
针对水下无人动力平台对高效、稳定能源系统的需求, 文中聚焦质子交换膜燃料电池(PEMFC)输出电压强非线性、易波动的难题, 提出一种基于模糊比例-积分-微分(PID)自适应控制的DC-DC变换器稳压策略。PEMFC输出电压因强非线性特性且易波动, 传统控制方法在动态响应与鲁棒性上存在局限。为此, 建立了PEMFC数学模型(含能斯特电压及活化、欧姆、浓差损失)及Boost升压电路模型, 剖析其电压波动机理。设计了一种模糊PID控制器, 其规则库深度耦合PID控制原则与PEMFC非线性特性, 实现了比例、积分、微分参数的在线动态自整定, 从而实时优化DC-DC变换器占空比。结果表明: 相较于传统PID, 模糊PID控制可将系统调节时间缩短, 稳态误差趋近于零, 在电流突变工况下输出电压波动范围缩小至±0.5 V以内, 且占空比响应更精准。该模糊PID自适应策略显著增强了系统的动态响应速度与鲁棒性, 为水下无人平台能源心脏的高效、稳定波动提供了可靠的理论基石与解决方案。
, 最新更新时间 , doi: 10.11993/j.issn.2096-3920.2025-0064
摘要:
针对水下视觉作业时相机内参不准造成的作业精度较低的问题, 提出了一种水下相机快速标定方法。该方法仅需1张包含2组互相正交平行线的图片, 通过求解平行线在图像平面的消失点, 构建与等效焦距相关的正交关系, 从而求解相机的内参。在处理水下成像畸变问题时, 通过考虑二阶径向畸变模型, 并以最小重投影误差为优化目标, 求解畸变系数, 以实现水下图像的畸变校准, 提高内参标定精度。进一步, 通过对比空气中图像和水下目标等效空气图像证明了该方法还原的等效图像具有较高的精度。实验结果表明, 文中所提方法操作简便, 显著降低了相机标定时现场环境的要求, 且能在保证一定精度的同时, 有效提升内参标定速度, 适用于水下相机的标定任务。
针对水下视觉作业时相机内参不准造成的作业精度较低的问题, 提出了一种水下相机快速标定方法。该方法仅需1张包含2组互相正交平行线的图片, 通过求解平行线在图像平面的消失点, 构建与等效焦距相关的正交关系, 从而求解相机的内参。在处理水下成像畸变问题时, 通过考虑二阶径向畸变模型, 并以最小重投影误差为优化目标, 求解畸变系数, 以实现水下图像的畸变校准, 提高内参标定精度。进一步, 通过对比空气中图像和水下目标等效空气图像证明了该方法还原的等效图像具有较高的精度。实验结果表明, 文中所提方法操作简便, 显著降低了相机标定时现场环境的要求, 且能在保证一定精度的同时, 有效提升内参标定速度, 适用于水下相机的标定任务。
, 最新更新时间 , doi: 10.11993/j.issn.2096-3920.2025-0051
摘要:
文中提出采用流量比对法的靶板不规则破孔孔径测量设备方案, 具有贴近实际工况、简单易实施、工作可靠以及使用成本较低等显著优势, 有效解决了其孔径难以准确测量的技术难题。以不规则破孔等效为规则孔进行孔的大小准确测量, 对水下毁伤效能评估具有特殊表征意义。其核心方法亦可为其他行业解决类似的不规则孔径测量需求提供重要参考。
文中提出采用流量比对法的靶板不规则破孔孔径测量设备方案, 具有贴近实际工况、简单易实施、工作可靠以及使用成本较低等显著优势, 有效解决了其孔径难以准确测量的技术难题。以不规则破孔等效为规则孔进行孔的大小准确测量, 对水下毁伤效能评估具有特殊表征意义。其核心方法亦可为其他行业解决类似的不规则孔径测量需求提供重要参考。
, 最新更新时间 , doi: 10.11993/j.issn.2096-3920.2025-0065
摘要:
针对无人水下航行器无线充电系统最大效率传输和不同功率输出的需求, 提出一种既能实现最大效率跟踪又能调节输出功率的复合控制方法。首先分析水下磁场耦合式无线电能传输(MC-WPT)系统传输功率和效率的影响因素, 围绕海水介质环境需考虑耦合机构涡流损耗的问题, 采用磁场和电路联合仿真的方法得到了耦合机构涡流等效电阻, 计算得到最优负载; 其次, 在接收端级联Cuk电路进行阻抗匹配实现最大效率跟踪, 同时在发射端通过控制移相角实现宽功率范围调节, 该复合控制方法中效率和功率2个控制回路之间互不干扰。最后, 构建系统仿真模型, 并搭建系统实验样机, 通过仿真和实验验证了文中理论分析和所提出方法的正确性。实验结果表明引入最大效率跟踪方法后, 各个负载工况均能提升至最佳效率, 以输出2 kW、负载5 Ω为例, 效率由84.8%提升至93.1%; 实验中输入电压变化时, 通过调节移相角实现了最大效率情况下1~3 kW的功率输出, 仿真和实验表明系统能够时刻保持较高效率运行并根据需求实时调节输出功率。
针对无人水下航行器无线充电系统最大效率传输和不同功率输出的需求, 提出一种既能实现最大效率跟踪又能调节输出功率的复合控制方法。首先分析水下磁场耦合式无线电能传输(MC-WPT)系统传输功率和效率的影响因素, 围绕海水介质环境需考虑耦合机构涡流损耗的问题, 采用磁场和电路联合仿真的方法得到了耦合机构涡流等效电阻, 计算得到最优负载; 其次, 在接收端级联Cuk电路进行阻抗匹配实现最大效率跟踪, 同时在发射端通过控制移相角实现宽功率范围调节, 该复合控制方法中效率和功率2个控制回路之间互不干扰。最后, 构建系统仿真模型, 并搭建系统实验样机, 通过仿真和实验验证了文中理论分析和所提出方法的正确性。实验结果表明引入最大效率跟踪方法后, 各个负载工况均能提升至最佳效率, 以输出2 kW、负载5 Ω为例, 效率由84.8%提升至93.1%; 实验中输入电压变化时, 通过调节移相角实现了最大效率情况下1~3 kW的功率输出, 仿真和实验表明系统能够时刻保持较高效率运行并根据需求实时调节输出功率。
, 最新更新时间 , doi: 10.11993/j.issn.2096-3920.2025-0073
摘要:
水下目标辐射磁场的精确建模对磁探测技术的发展具有重要意义。目标辐射磁场主要分为磁异常场和尾流磁场, 而磁传感器在探测时通常接收的是磁总场信号。目前的研究主要针对磁异常场和尾流磁场分别进行仿真分析, 缺乏对两者集成后的辐射机理、传播模型、时空特性和衰减规律的系统研究, 难以有效推动水下目标磁探测技术的发展。为此, 文中提出一种水下目标综合磁场时空特性分析方法, 采用COMSOL和MATLAB软件分别对磁异常场和尾流磁场进行建模研究, 经矢量叠加集成两种磁场模型, 综合分析目标辐射磁场的时空特性及衰减规律, 提升了综合磁场的求解效率与模型精度, 同时揭示了目标运动参数对综合磁场的具体影响规律, 为水下目标磁探测的高精度建模提供了理论支撑。
水下目标辐射磁场的精确建模对磁探测技术的发展具有重要意义。目标辐射磁场主要分为磁异常场和尾流磁场, 而磁传感器在探测时通常接收的是磁总场信号。目前的研究主要针对磁异常场和尾流磁场分别进行仿真分析, 缺乏对两者集成后的辐射机理、传播模型、时空特性和衰减规律的系统研究, 难以有效推动水下目标磁探测技术的发展。为此, 文中提出一种水下目标综合磁场时空特性分析方法, 采用COMSOL和MATLAB软件分别对磁异常场和尾流磁场进行建模研究, 经矢量叠加集成两种磁场模型, 综合分析目标辐射磁场的时空特性及衰减规律, 提升了综合磁场的求解效率与模型精度, 同时揭示了目标运动参数对综合磁场的具体影响规律, 为水下目标磁探测的高精度建模提供了理论支撑。
, 最新更新时间 , doi: 10.11993/j.issn.2096-3920.2025-0067
摘要:
针对主动声呐目标识别中舷角适应性较差的问题, 文中从波动方程理论出发, 阐述了主动声呐感知目标信息的物理机理。基于广义多重信号分类(MUSIC)空间谱估计, 结合距离维信息提出了一种获取水下目标伪三维空间特征的新方法, 有效提升了空间特征对不同舷角的适应能力。同时, 研究了增强伪魏格纳-威利分布(PWVD)时频谱特征的方法及基于时频二维相关的运动目标多普勒频移分布特征提取技术, 通过2种算法在舷角特性下的互补优势, 进一步提高了目标识别的舷角适应性。为解决水下目标样本稀缺且分布不平衡的问题, 引入元学习思想, 构建了一种空间域、时频域及多普勒域特征的数据级融合目标识别网络。利用仿真和试验数据对该网络进行了训练和测试。测试结果表明, 空时频融合特征显著增强了目标识别的舷角适应性和抗干扰能力, 为智能化水下目标识别技术的发展提供了全新的思路。
针对主动声呐目标识别中舷角适应性较差的问题, 文中从波动方程理论出发, 阐述了主动声呐感知目标信息的物理机理。基于广义多重信号分类(MUSIC)空间谱估计, 结合距离维信息提出了一种获取水下目标伪三维空间特征的新方法, 有效提升了空间特征对不同舷角的适应能力。同时, 研究了增强伪魏格纳-威利分布(PWVD)时频谱特征的方法及基于时频二维相关的运动目标多普勒频移分布特征提取技术, 通过2种算法在舷角特性下的互补优势, 进一步提高了目标识别的舷角适应性。为解决水下目标样本稀缺且分布不平衡的问题, 引入元学习思想, 构建了一种空间域、时频域及多普勒域特征的数据级融合目标识别网络。利用仿真和试验数据对该网络进行了训练和测试。测试结果表明, 空时频融合特征显著增强了目标识别的舷角适应性和抗干扰能力, 为智能化水下目标识别技术的发展提供了全新的思路。
, 最新更新时间 , doi: 10.11993/j.issn.2096-3920.2024-0156
摘要:
针对同心筒热发射过程冲击波对火箭助飞航行体头帽出筒安全性, 采用计算流体力学(CFD)软件数值仿真点火发射过程, 详细分析了固体火箭发动机产生的冲击波、燃气在同心筒内的传播过程, 得到了冲击波作用下头帽受力变化曲线, 揭示了头帽在冲击波作用下的筒内受力机理。通过某产品外场试验冲击波开盖过程试验数据, 进一步说明了头帽在冲击波环境下的受力变化过程。研究结果有助于清晰认识同心筒热发射过程冲击波作用下头帽受力变化机理, 可用于指导头帽出筒安全性设计。
针对同心筒热发射过程冲击波对火箭助飞航行体头帽出筒安全性, 采用计算流体力学(CFD)软件数值仿真点火发射过程, 详细分析了固体火箭发动机产生的冲击波、燃气在同心筒内的传播过程, 得到了冲击波作用下头帽受力变化曲线, 揭示了头帽在冲击波作用下的筒内受力机理。通过某产品外场试验冲击波开盖过程试验数据, 进一步说明了头帽在冲击波环境下的受力变化过程。研究结果有助于清晰认识同心筒热发射过程冲击波作用下头帽受力变化机理, 可用于指导头帽出筒安全性设计。

