Maximum efficiency tracking and wide power regulation composite control method for underwater MC-WPT system
-
摘要: 针对无人水下航行器无线充电系统最大效率传输和不同功率输出的需求, 提出一种既能实现最大效率跟踪又能调节输出功率的复合控制方法。首先分析水下磁场耦合式无线电能传输(MC-WPT)系统传输功率和效率的影响因素, 围绕海水介质环境需考虑耦合机构涡流损耗的问题, 采用磁场和电路联合仿真的方法得到了耦合机构涡流等效电阻, 计算得到最优负载; 其次, 在接收端级联Cuk电路进行阻抗匹配实现最大效率跟踪, 同时在发射端通过控制移相角实现宽功率范围调节, 该复合控制方法中效率和功率2个控制回路之间互不干扰。最后, 构建系统仿真模型, 并搭建系统实验样机, 通过仿真和实验验证了文中理论分析和所提出方法的正确性。实验结果表明引入最大效率跟踪方法后, 各个负载工况均能提升至最佳效率, 以输出2 kW、负载5 Ω为例, 效率由84.8%提升至93.1%; 实验中输入电压变化时, 通过调节移相角实现了最大效率情况下1~3 kW的功率输出, 仿真和实验表明系统能够时刻保持较高效率运行并根据需求实时调节输出功率。Abstract: Addressing the requirements of maximum efficiency transmission and varying power output for underwater unmanned vehicle wireless charging systems, a composite control method that can both achieve maximum efficiency tracking and adjust output power is proposed in this paper. Firstly, the influencing factors of transmission power and efficiency in underwater MC-WPT systems are analyzed. Focusing on the seawater medium environment, the issue of eddy current loss in the coupling mechanism needs to be considered. A joint simulation method of magnetic field and circuit is adopted to obtain the equivalent resistance of the coupling mechanism's eddy current, and the optimal load is calculated. Secondly, impedance matching is achieved by cascading Cuk converters at the receiving end to track maximum efficiency, while wide power range adjustment is realized by controlling the phase shift angle of the inverter at the transmitting end. In this composite control method, the efficiency and power control loops do not interfere with each other. Finally, a system simulation model was constructed, and an experimental prototype of the MC-WPT system was built. The correctness of the theoretical analysis and proposed methods in the paper was verified through simulation and experiment. The experimental results showed that after introducing the maximum efficiency tracking method, the optimal efficiency could be achieved under various load conditions. Taking the output of 2 kW and a load of 5 Ω as an example, the efficiency increased from 84.8% to 93.1%. In the experiment, when the input voltage varied, power output ranging from 1 kW to 3 kW was achieved at maximum efficiency by adjusting the phase shift angle. Both simulation and experiment demonstrate that the system can maintain high efficiency operation at all times and adjust the output power in real-time according to demand.
-
表 1 LCC-S型MC-WPT系统参数
Table 1. LCC-S MC-WPT system parameters
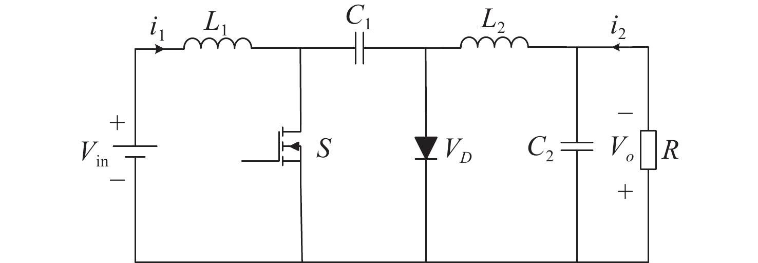
参数 数值 参数 数值 ƒ/kHz 80 Cp/nF 52.8 Lf/μH 75 Cs/nF 26.4 Lp/μH 150 Cf/μF 470 Ls/μH 150 Rp/Ω 0.2 M/μH 55 Rs/Ω 0.2 Cr/nF 52.8 表 2 Cuk变换器参数
Table 2. Cuk converter parameters
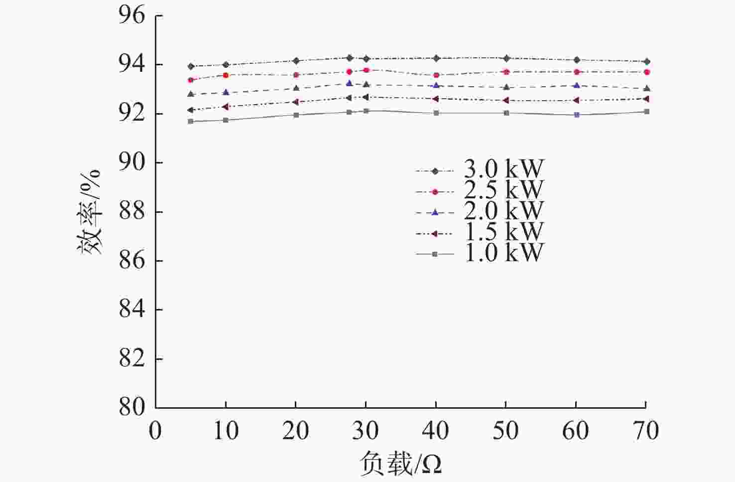
参数 数值 L1/μH 50 L2/μH 50 C1/nF 47 C2/μF 4.7 表 3 引入最大效率跟踪方法前后效率值对比
Table 3. Comparison of efficiency before and after introducing maximum efficiency tracking method
负载/Ω 功率/W 3 000 2 000 1 000 ηa ηmax ηa ηmax ηa ηmax 5 87.6 93.9 84.8 93.1 82.9 91.7 10 89.7 94.0 87.5 92.9 85.4 91.7 30 93.8 94.2 92.8 93.4 91.5 92.1 50 93.1 94.3 92.0 93.1 90.9 92.0 70 91.7 94.3 90.1 93.2 88.2 92.0 -
[1] 文海兵, 宋保维, 张克涵, 等. 水下磁耦合谐振无线电能传输技术及应用研究综述[J]. 水下无人系统学报, 2019, 27(4): 361-368.WEN H B, SONG B W, ZHANG K H, et al. Underwater magnetically-coupled resonant wireless power transfer technology and its applications: A review[J]. Journal of Unmanned Undersea Systems, 2019, 27(4): 361-368. [2] 余世科, 王锋, 李皓, 等. 基于水下无线充电的UUV电能源补给研究[C]//第四届水下无人系统技术高峰论坛—有人/无人协同技术论文集. 西安: 《水下无人系统学报》编辑部, 2021: 151-155. [3] QING X D, SU Y G, HU A P, et al. A CPT system with switchable compensation for constant current or voltage output against load and coupling capacitance variations[J]. Electrical Engineering, 2021, 103(5): 2391-402. doi: 10.1007/s00202-021-01235-3 [4] 苏玉刚, 钱林俊, 刘哲, 等. 水下具有旋转耦合机构的电场耦合无线电能传输系统及参数优化方法[J]. 电工技术学报, 2022, 37(10): 2399-410.SU Y G, QIAN L J, LIU Z, et al. Underwater electric-filed coupled wireless power transfer system with rotary coupler and parameter optimization method[J]. Transactions of China Electrotechnical Society, 2022, 37(10): 2399-410. [5] 钟宏伟, 方明. 一种提升作业持久力大排量基地型UUV设计构想[J]. 舰船科学技术, 2015, 37(S1): 135-142.ZHONG H W, FANG M. A survey of design for larger displacement based UUV on extending underwater operational persistence[J]. Ship Science and Technology, 2015, 37(S1): 135-142. [6] 丰利军, 朱春波, 张剑韬, 等. 水下无人航行器水下无线充电关键技术研究[J]. 舰船科学技术, 2020, 42(23): 159-162.FENG L J, ZHU C B, ZHANG J T, et al. Research on key technology based on wireless charging technology for unmanned underwater vehicle[J]. Ship Science and Technology, 2020, 42(23): 159-162. [7] 刘润鹏, 杨金明. 一种改进线圈结构的AUV无线充电系统[J]. 水下无人系统学报, 2020, 28(3): 323-329.LIU R P, YANG J M. AUV wireless charging system with improved coil structure[J]. Journal of Unmanned Undersea Systems, 2020, 28(3): 323-329. [8] WU M, YANG X, CHEN W J, et al. A dual-sided control strategy based on mode switching for efficiency optimization in wireless power transfer system[J]. IEEE Transactions on Power Electronics, 2021, 36(8): 8835-48. doi: 10.1109/TPEL.2021.3055963 [9] CHEN S X, CHEN Y, LI H C, et al. An operation mode selection method of dual-side bridge converters for efficiency optimization in inductive power transfer[J]. IEEE Transactions on Power Electronics, 35(10): 9992-97. [10] 黄文聪, 饶天彪, 蒋煊焱, 等. 无线电能传输系统最大效率追踪及恒压输出复合控制方法[J]. 电工技术学报, 2024, 39(12): 3589-601.HUANG W C, RAO T B, JIANG X Y, et al. Maximum efficiency tracking and constant voltage output compound control method for wireless power transfer system[J]. Transactions of China Electrotechnical Society, 2024, 39(12): 3589-601. [11] 夏晨阳, 李晓丽, 韩潇左, 等. IPT系统线性自抗扰恒压输出和最大效率跟踪复合控制方法[J]. 中国电机工程学报, 2022, 42(16): 6042-52.XIA C Y, LI X L, HAN X Z, et al. A hybrid control method for achieving constant voltage output with LADRC and maximum efficiency tracking for IPT systems[J]. Proceedings of the CSEE, 2022, 42(16): 6042-52. [12] 刘登伟, 周坤卓, 刘野然, 等. 基于双拾取结构的恒功率输出动态无线电能传输系统研究[J]. 中国电机工程学报, 2019, 39(13): 3899-907.LIU D W, ZHOU K Z, LIU Y R, et al. Research on constant output power based on double pick-up in dynamic wireless power transfer system[J]. Proceedings of the CSEE, 2019, 39(13): 3899-907. [13] 魏金成, 廖师师, 邱晓初, 等. 谐振式无线电能传输系统恒功率输出特性研究[J]. 电力工程技术, 2022, 41(3): 231-236.WEI J C, LIAO S S, QIu X C, et al. Constant power output characteristics of resonant wireless power transmission system[J]. Electric Power Engineering Technology, 2022, 41(3): 231-236. [14] 祖建中, 赵进, 孙作民, 等. 具有恒功率特性的水下无线电能传输系统研究与设计[EB/OL]. (2025-03-26)[2025-06-13]. http://kns.cnki.net/kcms/detail/12.1420.tm.20250326.1743.030.html. [15] YANG Y, ZHONG W, KIRATIPONGVOOT S, et al. Dynamic improvement of series-series compensated wireless power transfer systems using discrete sliding modecontrol[J]. IEEE Transactions on Power Electronics, 2018, 33(7): 6351-60. doi: 10.1109/TPEL.2017.2747139 [16] 麦瑞坤, 刘野然, 陈阳. 基于最优等效负载控制的感应电能传输系统效率优化方法研究[J]. 中国电机工程学报, 2016, 36(23): 6468-75.MAI R K, LIU Y R, CHEN Y. Studies of eficiency optimization methods based on optimal equivalent load control in IPT systems[J]. Proceedings of the CSEE, 2016, 36(23): 6468-75. [17] XIA C, LI X, SUN Q, et al. Integrated control method for constant output voltage and maximum efficiency tracking of bilateral LCL compensation ICPT system[J]. IET Electric Power Applications, 2020, 14(10): 1956-65. doi: 10.1049/iet-epa.2020.0133 [18] 高国章, 于梓航, 李佳奇. 海水对UUV WPT系统的影响及耦合机构的补偿研究[J]. 船舶工程, 2024, 46(2): 18-23.GAO G Z, YU J H, LI J Q. Research on the effect of seawater on the WPT system of UUV and compensation of coupling mechanisms[J]. Ship Engineering, 2024, 46(2): 18-23. [19] KIM J, KIM K, KIM H, et al. An efficient modeling for underwater wireless power transfer using Z-parameters[J]. IEEE Transactions on Electromagnetic Compatibility, 2019, 61(6): 2006-14. doi: 10.1109/TEMC.2019.2952320 [20] 周婷, 荣军, 罗方思, 等. 升降压电路和Cuk电路的比较研究[J]. 船电技术, 2015, 35(7): 67-71.ZHOU T, RONG J, LUO F S, et al. Comparative study on boost and buck circuit with Cuk circuit[J]. Marine Electric & Electronic Engineering, 2015, 35(7): 67-71. [21] 岳志明. Cuk电路效率的仿真研究[J]. 实验科学与技术, 2015, 13(3): 32-36. doi: 10.3969/j.issn.1672-4550.2015.03.011YUE Z M. Simulation study on the efficiency of Cuk converter[J]. Experiment Science and Technology, 2015, 13(3): 32-36. doi: 10.3969/j.issn.1672-4550.2015.03.011 -

下载: