Simulation of PEMFC Voltage Stabilization System for Underwater Unmanned Power Platform Based on Fuzzy Control
-
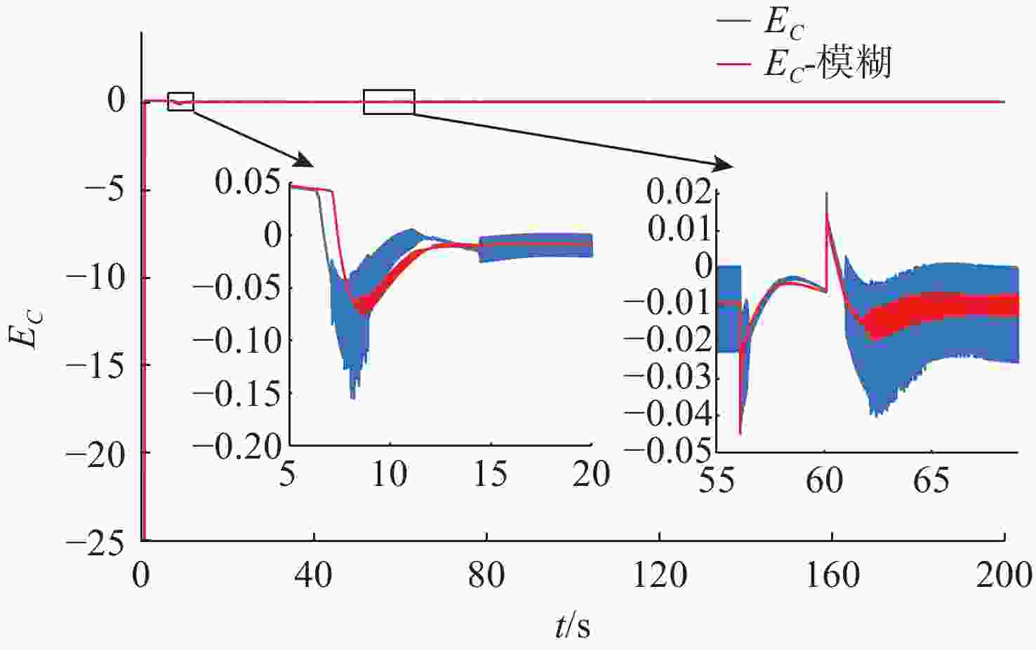
摘要: 针对水下无人动力平台对高效、稳定能源系统的需求, 文中聚焦质子交换膜燃料电池(PEMFC)输出电压强非线性、易波动的难题, 提出一种基于模糊比例-积分-微分(PID)自适应控制的DC-DC变换器稳压策略。PEMFC输出电压因强非线性特性且易波动, 传统控制方法在动态响应与鲁棒性上存在局限。为此, 建立了PEMFC数学模型(含能斯特电压及活化、欧姆、浓差损失)及Boost升压电路模型, 剖析其电压波动机理。设计了一种模糊PID控制器, 其规则库深度耦合PID控制原则与PEMFC非线性特性, 实现了比例、积分、微分参数的在线动态自整定, 从而实时优化DC-DC变换器占空比。结果表明: 相较于传统PID, 模糊PID控制可将系统调节时间缩短, 稳态误差趋近于零, 在电流突变工况下输出电压波动范围缩小至±0.5 V以内, 且占空比响应更精准。该模糊PID自适应策略显著增强了系统的动态响应速度与鲁棒性, 为水下无人平台能源心脏的高效、稳定波动提供了可靠的理论基石与解决方案。Abstract: Aiming at the demand of underwater unmanned power platform for efficient and stable energy system, this paper focuses on the problem of strong nonlinearity and easy fluctuation of the output voltage of proton exchange membrane fuel cell (PEMFC), and proposes a DC-DC converter voltage stabilization strategy based on the fuzzy PID adaptive control.Due to the strong nonlinear characteristics of the output voltage of the PEMFC and its easy to fluctuate, the traditional control methods have limitations in the dynamic response and robustness. limitations of traditional control methods in terms of dynamic response and robustness. In this study, a mathematical model of PEMFC (including Nernst voltage and activation, ohmic, and concentration loss) and a Boost boost circuit model are established to analyze the voltage fluctuation mechanism. The core innovation lies in the design of a fuzzy PID controller with a rule base that deeply couples the PID control principle with the nonlinear characteristics of PEMFC, which realizes the online dynamic self-tuning of proportional, integral, and differential parameters to optimize the DC-DC converter duty cycle in real time. The results show that compared with the traditional PID, the fuzzy PID control can shorten the system regulation time , the steady-state error tends to be close to zero, the output voltage fluctuation range is narrowed to within ±0.5V under the sudden current change condition, and the duty cycle response is more accurate. The fuzzy PID adaptive strategy significantly enhances the dynamic response speed and robustness of the system, providing a reliable theoretical cornerstone and solution for the efficient and stable fluctuation of the energy heart of the underwater unmanned platform.
-
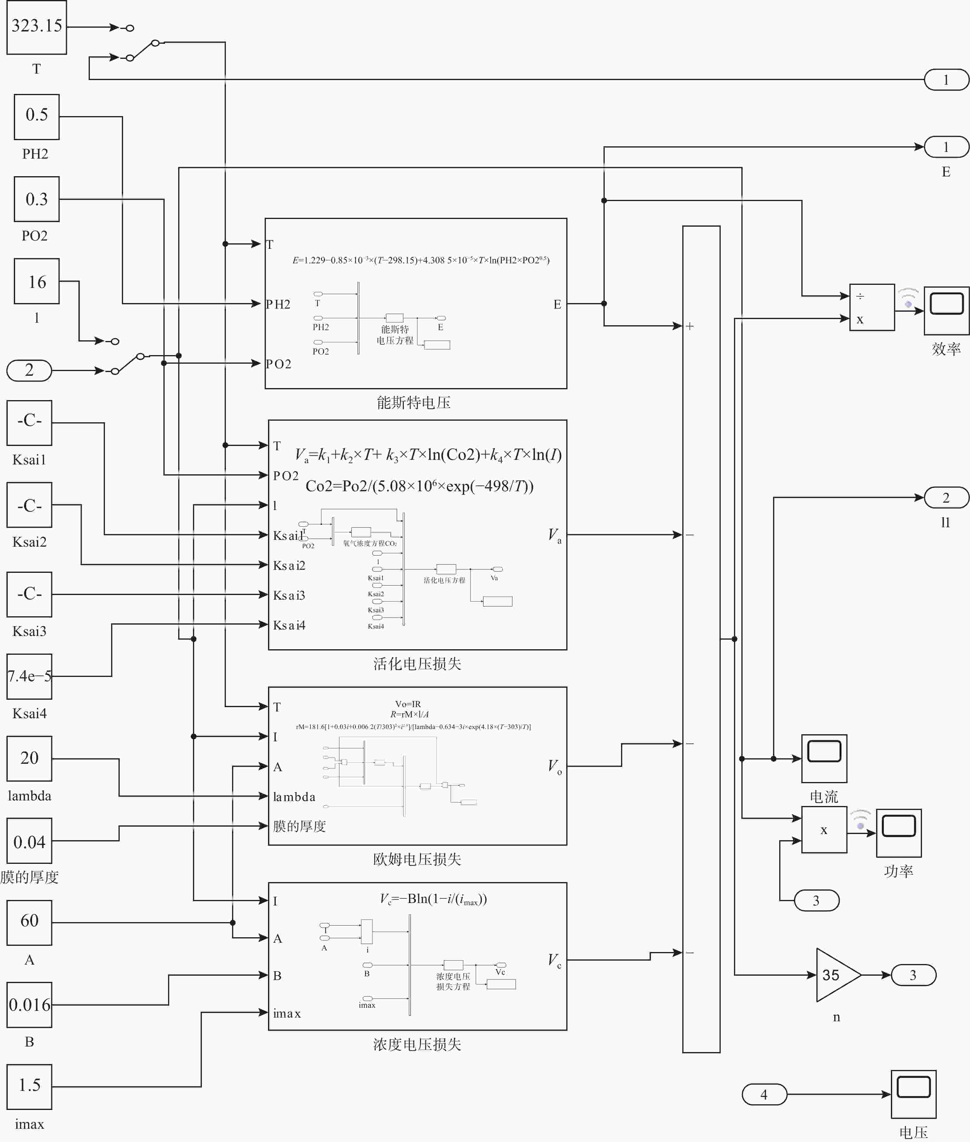
表 1 PEMFC主要参数
Table 1. Main parameters of PEMFC
参数 值 参数 值 n/个 35 l/cm 0.04 T工作温度/K 323 A/cm2 60 PH2/atm 0.5 λ 20 PO2/atm 0.3 B 0.016 I工作电流/A 16 imax/ (A/cm2) 1.5 尺寸/mm 104×67×120 Cst/kJ/(kg·K) 0.71 Mst/kg 1.08 理想工作温度/K 318.15~327.15 注: T工作温度为PEMFC的工作温度; I工作电流为工作电流; Mst为PEMFC的质量; Cst为PEMFC。 表 2 输入电流数据
Table 2. Input current data
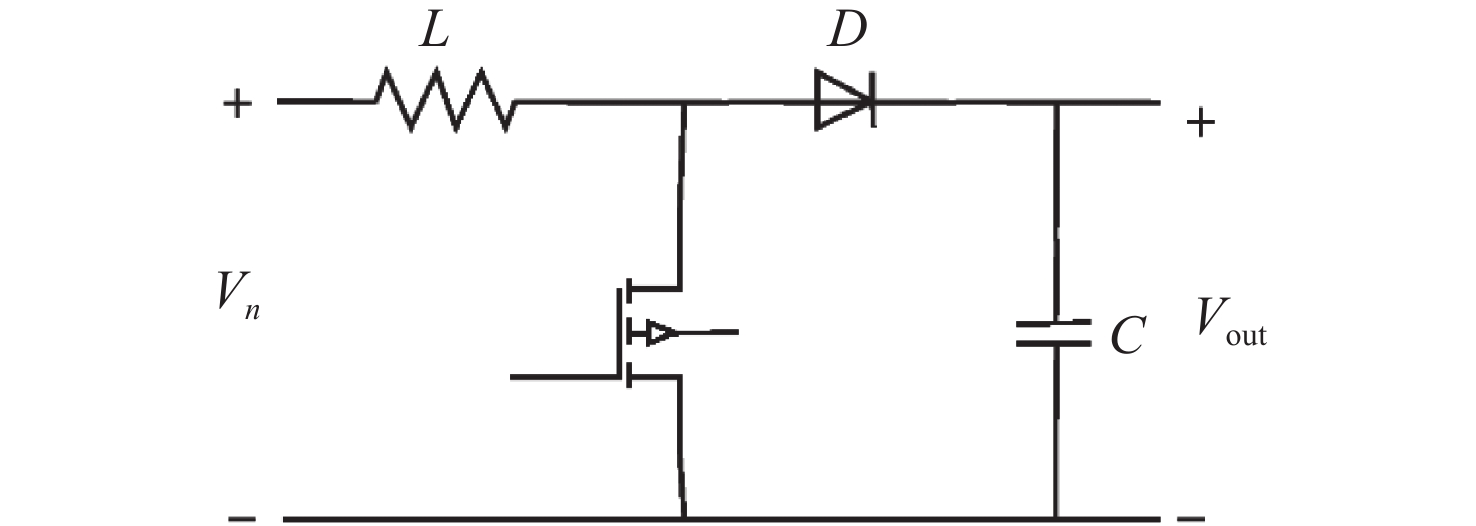
时间/s 电流/A 时间/s 电流/A 0 3 56 0 12 4 60 15 25 5 80 16 32 10 200 16 表 3 Boost升压电路参数表
Table 3. Parameter list of Boost boost circuit
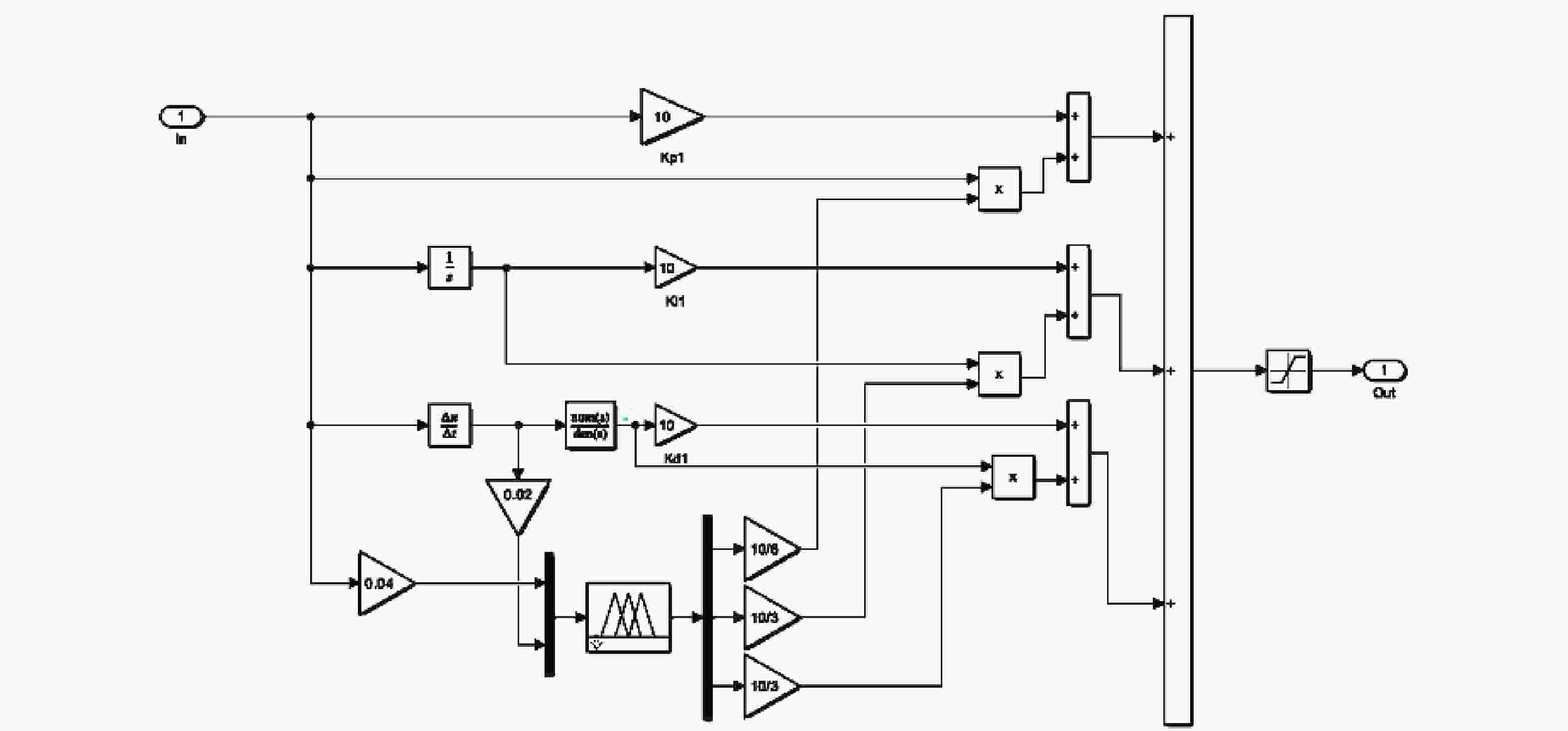
参数 值 参数 值 η 1(仿真时) d 0.46 P/W 416 L/μH 100 Fs/Hz 25 000 C/μF 330 表 4 模糊控制器的模糊规则表Kp
Table 4. Fuzzy rule table for fuzzy controller Kp
E Ec NB NM NS Z PS PM PB NB Z Z Z Z PS PS PS NM Z Z Z Z PS PS PS NS PS PS PS PS PS PM PM Z PS PS PS PS PS PM PM PS PM PM PM PM PM PB PB PM PM PM PM PM PM PB PB PB PM PM PM PM PM PB PB 表 5 模糊控制器的模糊规则表Ki
Table 5. Table of fuzzy rules for fuzzy controller Ki
E Ec NB NM NS Z PS PM PB NB NB NB NM Z NM NM Z NM NB NB NM NS NS Z Z NS NB NM Z Z Z PS Z Z NM NM NS Z PS PM PM PS Z NS Z PS PS PM PB PM Z Z PS PM PM PB PB PB Z Z PS PM PM PB PB 表 6 模糊控制器的模糊规则表Kd
Table 6. Table of fuzzy rules for fuzzy controller Kd
E Ec NB NM NS Z PS PM PB NB NS NS NS NS NS PS PS NM NS NS NS NS NS PS PM NS NS NS NS Z Z PS PM Z NS NS NS Z Z PS PM PS NS NS Z Z Z PS PM PM NS NS Z PS PS PS PB PB NS NS Z PS PS PS PM -
[1] 张庚, 刘国金. 质子交换膜燃料电池输出电压稳定控制技术[J]. 电源学报, 2022, 20(1): 134-140.ZHANG G, LIU G J. Output voltage stabilization control technology for proton exchange membrane fuel cells[J]. Journal of Power Supply, 2022, 20(1): 134-140. [2] 戚志东, 裴进, 胡迪. 基于分数阶 PID 控制的质子交换膜燃料电池前级功率变换器[J]. 电工技术学报, 2019, 34(S1): 235-243.QI Z D, PEI J, HU D. Fractional-order PID control-based front-stage power converter for proton exchange membrane fuel cells[J]. Journal of Electrotechnology, 2019, 34(S1): 235-243. [3] 廉洁, 陈雨. 直接甲醇燃料电池模糊PID控制研究[J]. 河南科技大学学报: 自然科学版, 2012, 31(5): 584-588.LIAN J, CHEN Y. Research on fuzzy PID control of direct methanol fuel cell[J]. Journal of Henan University of Science and Technology: Natural Science Edition, 2012, 31(5): 584-588. [4] LI S, FAIRBANK M, JOHNSON C, et al. Artificial neural networks for control of a grid-connected rectifier/inverter under disturbance, dynamic and power converter switching conditions[J]. IEEE Transactions on Neural Networks and Learning Systems, 2017, 25(4): 738-750. [5] JIA J, LI Q, WANG Y, et al. Modeling and dynamic characteristic simulation of a proton exchange membrane fuel cell[J]. IEEE Transactions on Energy Conversion, 2009, 24(1): 283-291. doi: 10.1109/TEC.2008.2011837 [6] 韩爱国, 宋福豪, 田韶鹏, 等. 燃料电池系统建模与供气系统控制方法[J]. 江苏大学学报(自然科学版), 2024, 45(2): 147-153.HAN A G, SONG F H, TIAN S P, et al. Modeling of fuel cell system and control method of gas supply system[J]. Journal of Jiangsu University(Natural Science Edition), 2024, 45(2): 147-153. [7] 兰洪星. 氢燃料电池系统建模与控制策略研究[D]. 长春: 吉林大学, 2020. [8] BAROUD Z, BENMILOUD M, BENALIA A. Fuzzy selftuning PID controller for air supply on a PEM fuel cell system[C]// Internation Conference on Electrical Engineering. Piscataway, USA: IEEE, 2016: 361-366. [9] 吴宇, 皇甫宜耿, 张琳等. 大扰动 Buck-Boost 变换器的鲁棒高阶滑模控制[J]. 中国电机工程学报, 2015, 35(7): 1740-1748.WU Y, HUANGFU Y G, ZHANG L, et al. Robust higher-order sliding mode control of a large disturbance Buck-Boost converter[J]. Chinese Journal of Electrical Engineering, 2015, 35(7): 1740-1748. [10] 苏明, 陈伦军, 林浩. 模糊PID控制及其MATLAB仿真[J]. 现代机械, 2004(4): 51-55.SU M, CHEN L J, LIN H. Fuzzy PID control and its MATLAB simulation[J]. Modern Machinery, 2004(4): 51-55. [11] 皇甫宜耿, 石麒, 李玉忍. 质子交换膜燃料电池系统建模仿真与控制[J]. 西北工业大学学报, 2015, 33(4): 682-687.HUANGFU Y G, SHI Q, LI Y R. Modeling simulation and control of proton exchange membrane fuel cell system[J]. Journal of Northwestern Polytechnical University, 2015, 33(4): 682-687. [12] 魏成伟. 模糊—神经—PID融合的控制策略的工程应用[D]. 阜新: 辽宁工程技术大学, 2008. [13] 黄宬, 黄亮, 卢叶, 等. 燃料电池 Buck 变换器的动态演化控制仿真[J]. 机电工程, 2014, 31(11): 1490-1494.HUANG K Y, HUANG L, LU Y, et al. Dynamic evolution control simulation of fuel cell Buck converter[J]. Electromechanical Engineering, 2014, 31(11): 1490-1494. [14] 刘佳, 李秀亮, 沈晔晔, 等. 燃料电池DC-DC变换器的设计与数字控制[J]. 上海交通大学学报, 2016, 50(6): 910-916.LIU J, LI X L, SHEN Y Y, et al. Design and digital control of DC-DC converter for fuel cell[J]. Journal of Shanghai Jiao Tong University, 2016, 50(6): 910-916. [15] 胡鹏, 刘波, 石瑛, 等. 质子交换膜燃料电池前级直流变换器的仿真研究[J]. 电源技术, 2016, 40(3): 561-564,708.HU P, LIU B, SHI Y, et al. Simulation study on the front-stage DC converter of proton exchange membrane fuel cell[J]. Power Supply Technology, 2016, 40(3): 561-564,708. [16] MARIO M, CAMILLO V. New DC-DC converter for energy storage system interfacing in fuel cell hybrid electric vehicles[J]. IEEE Transactions on Power Electronics, 2007, 22(1): 301-308. doi: 10.1109/TPEL.2006.886650 [17] MADHESWARAN K D, THANGAMUTHU M, GNANASEKARAN S, et al. Powering the future: Progress and hurdles in developing proton exchange membrane fuel cell components to achieve department of energy goals—A systematic review[J]. Sustainability, 2023, 15(22 [18] 李智辉, 杨曦, 肖刚, 等. 基于模糊PID控制的燃料电池稳压技术研究[J]. 武汉理工大学学报, 2024, 46(1): 138-143.LI Z H, YANG X, XIAO G, et al. Fuzzy PID control based voltage stabilization technology for fuel cells[J]. Journal of Wuhan University of Technology, 2024, 46(1): 138-143. [19] ZHANG Z, JIA L, HE H, et al. Modeling dynamic behaviors of a single cell proton exchange membrane fuel cell under different operating conditions[J]. Journal of the Taiwan Institute of Chemical Engineers, 2010, 41(6): 689-698. doi: 10.1016/j.jtice.2010.02.003 [20] 裴尧旺, 陈凤祥, 胡哲, 等. 基于自适应LQR控制的质子交换膜燃料电池热管理系统温度控制[J]. 吉林大学学报: 工学版, 2022, 52(9): 2014-2024.PEI Y W, CHEN F X, HU Z, et al. Temperature control of proton exchange membrane fuel cell thermal management system based on adaptive LQR control[J]. Journal of Jilin University: Engineering Edition, 2022, 52(9): 2014-2024. [21] YANG B, LIANG B, QIAN Y, et al. Parameter identification of PEMFC via feedforward neural network-pelican optimization algorithm[J]. Applied Energy, 2024, 361: 122857. doi: 10.1016/j.apenergy.2024.122857 [22] CHEN J H, HE P, CAI S J, et al. Modeling and temperature control of a water-cooled PEMFC system using intelligent algorithms[J]. Applied Energy, 2024, 372: 123790. doi: 10.1016/j.apenergy.2024.123790 [23] CHEN X, GU B, FENG W, et al. Research on control strategy of PEMFC air supply system for power and efficiency improvement[J]. Energy, 2024, 304: 132100. doi: 10.1016/j.energy.2024.132100 [24] 王京阳. 光-氢-储直流系统变流器控制与功率协调策略研究[D]. 沈阳: 沈阳工业大学, 2023. -

下载: