Latest Articles

Articles in press have been peer-reviewed and accepted, which are not yet assigned to volumes/issues, but are citable by Digital Object Identifier (DOI).
Display Method:
Research Status and Development of Intelligent Optimization Methods for Mission Schemes
WANG Zhaochen, YANG Huadong, SUN Haiwen, JIN Zirong
, Available online  , doi: 10.11993/j.issn.2096-3920.2025-0066
Abstract:
The mission environment has become more and more complex, and the tempo has obviously accelerated. As a result, the traditional manual decision-making can no longer meet the requirements. There is a strong need for an advanced decision-making system to assist decision makers in carrying out on-the-spot mission command. To better carry out the research on intelligent recommendation methods for mission schemes, this paper collated the research articles in this direction in China and abroad in recent years and divided the intelligent recommendation methods into three categories, namely intelligent analysis, intelligent matching, and intelligent learning. It elaborated on the core principles, technical paths, and typical applications of various methods and simultaneously analyzed the advantages and disadvantages of the three types of methods. It identified the deficiencies of the existing methods in terms of dynamic adaptability, autonomous decision-making ability, data dependence, and credibility. Finally, the future development direction was prospected, providing valuable references for subsequent research in this field.
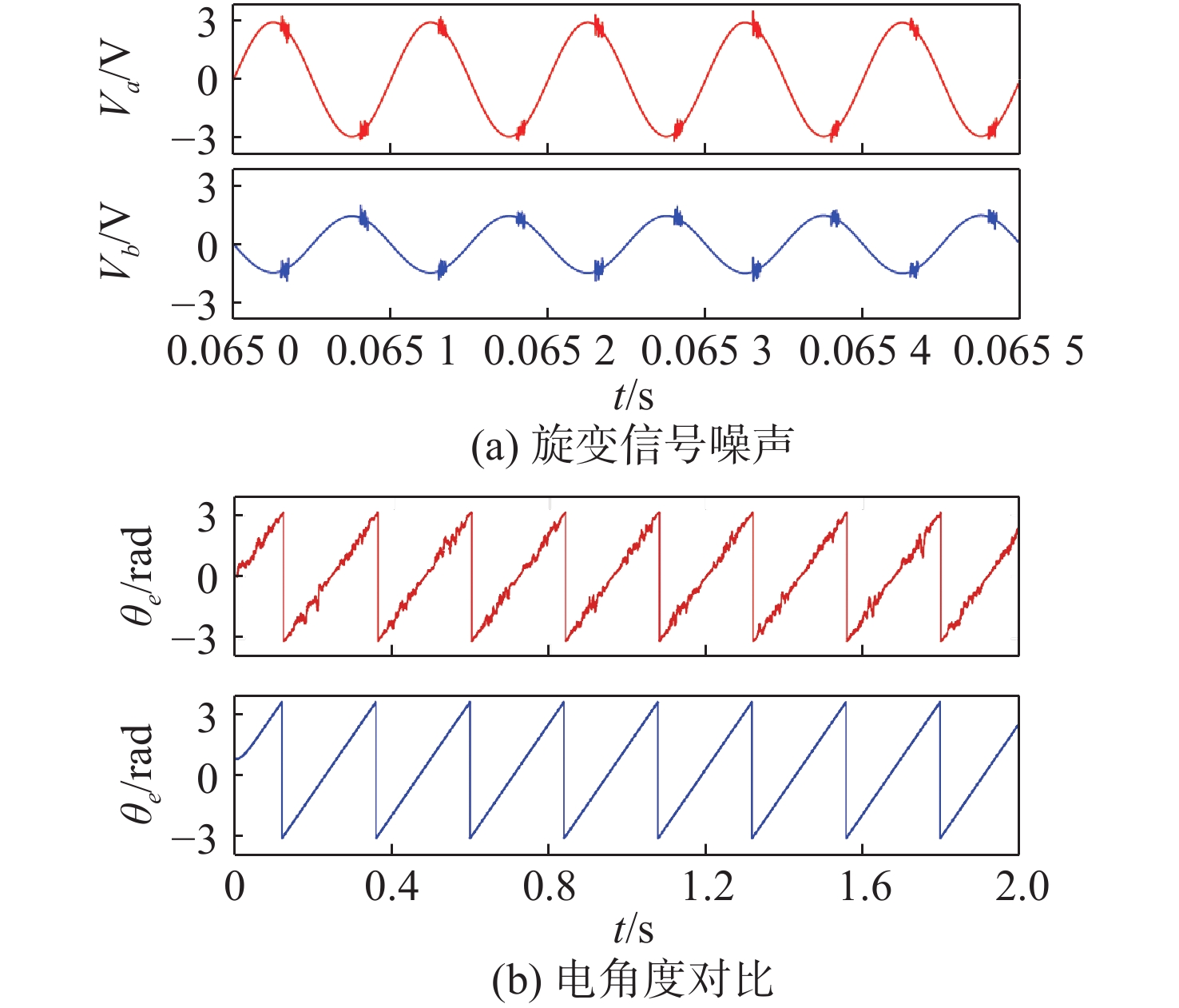
Research on Comprehensive Detection Methods for Weak Signals in Underwater Target Shaft Frequency Electric Fields
YU Pingyang, WANG Honglei, YANG Yixin
, Available online  , doi: 10.11993/j.issn.2096-3920.2025-0079
Abstract:
To address the issue of weak target signals that are easily masked by noise in the detection of ship shaft frequency electric field signals, this paper proposes an electric field signal detection method based on the principle of ‘priority detection and selective enhancement.’ First, complete ensemble empirical mode decomposition with adaptive noise (CEEMDAN) is combined with narrowband power spectrum energy peak entropy ratio (EPER) features. Then, sliding window and dynamic threshold techniques are used to detect the target signal. After successful detection, the proposed method triggers a tri-stable stochastic resonance and variable step-size least mean P-norm (VSS-LMP) enhancement mechanism to further enhance the spectral characteristics of the target signal, thereby enabling the extraction of the target signal's characteristic frequency. Simulation results show that the proposed method achieves a detection accuracy rate exceeding 85% under a signal-to-noise ratio of -12 dB, with a false detection rate below 30%, and can accurately extract the target signal's characteristic frequency, providing a feasible technical approach for real-time monitoring of weak electromagnetic field signals from ships.
Relative Localization Error Correction Method Based on SDP-Optimized Range Measurements
XING Jiayi, DENG Kai, WANG Changhong, RAO Liang
, Available online  , doi: 10.11993/j.issn.2096-3920.2025-0099
Abstract:
Most of the existing researches on cooperative localization focus on absolute position estimation, with relatively little attention paid to the relative positioning among nodes in clusters. To simplify the ranging model and provide a more intuitive evaluation of algorithm performance, this paper assumes that nodes within the cluster remain relatively stationary, and proposes an inertial navigation system (INS) error correction method based on semidefinite programming (SDP) optimized ranging. At the time of ranging, SDP optimization is performed on the original ranging data to correct the positioning error of the INS, followed by error compensation updates for the inherent biases of the INS, which effectively enhances the relative positioning accuracy among the nodes. The paper establishes a localization model for the cluster system, derives a nonlinear least squares formulation for node positioning, and provides an analysis of INS error compensation. Multiple simulation results indicate that, compared with the method of directly using the original ranging data to correct the INS, the proposed method can reduce the relative positioning error by more than 40% on average, and its advantage in suppressing INS errors becomes even more pronounced as the ranging update interval increases.
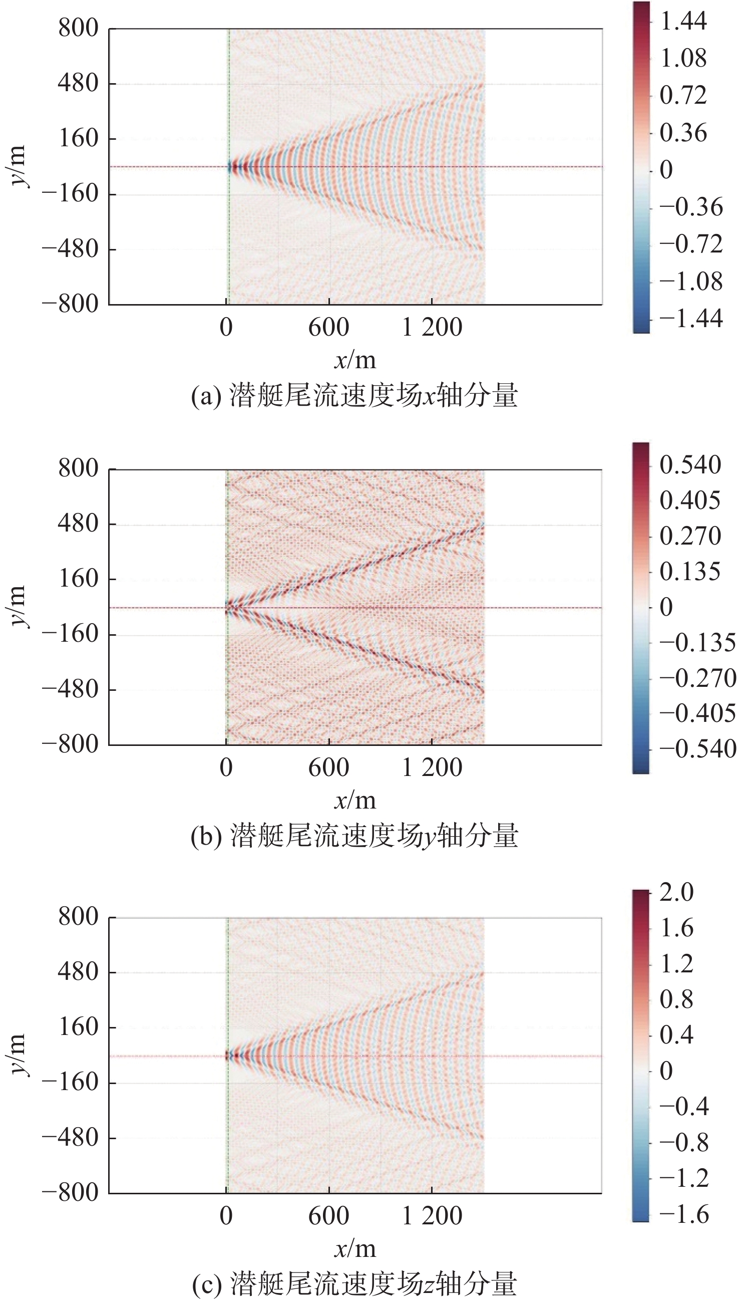
Distribution Characteristics of the Induced Electromagnetic Field of a Submarine Wake
WANG Xiangjin, ZHANG Jiansheng, WANG Xintong, YAN Linbo, LAN Qing
, Available online  , doi: 10.11993/j.issn.2096-3920.2025-0082
Abstract:
The induced electromagnetic field generated by a submarine's wake cutting through the geomagnetic field provides a new approach for the non-acoustic detection of submarine. However, existing research has primarily focused on surface ships or environments with finite water depth, and has yet to thoroughly reveal the influence law of submersion depth on the wake's electromagnetic field in infinitely deep waters. To address this issue, this study employs numerical simulations based on Maxwell's equations and fundamental hydrodynamic theories, utilizing a mathematical model of the induced electromagnetic field in a submarine's wake. The distribution characteristics of the field at two typical depths—10 m and 50 m—are specifically compared and analyzed. The results indicate that when a submarine moves underwater, its wake velocity field exhibits a typical V-shaped distribution. The induced electromagnetic field of the wake decays exponentially along the trajectory. The research clearly reveals the differential impact of the depth effect: as the submersion depth increases, the peak induced magnetic field strength significantly decreases (from 0.3 nT to 0.1 nT), while the peak induced electric field strength increases (from 1 μV/m to 3 μV/m). This study theoretically and through simulation elucidates the influence of submersion depth on the electromagnetic field, confirms the feasibility of adopting differentiated detection strategies for targets at different depths, and provides a new theoretical basis for deep-sea target detection.
Experimental study on load sharing characteristics of fixed axis tri-branching gear transmission system
YAN Hai, Yang Sheng, WEN LiHua, Meng Fanming, Cao Hao
, Available online  , doi: 10.11993/j.issn.2096-3920.2025-0085
Abstract:
In view of the fact that the current load sharing characteristics test of gear transmission system does not consider the influence of processing and installation errors such as backlash and shaft eccentricity angle on load sharing characteristics, a gear transmission system load sharing characteristic test bench was built for a fixed axis power tri-branching gear transmission system. The backlash was adjusted by adding a thin gasket at the bearing seat, and the shaft eccentricity angle was adjusted by designing the eccentric sleeve structure. The tooth root stress of the sun gears of the split and combiner stages was tested under different operating conditions, and the influence of temperature on stress was eliminated through temperature compensation strain gauges. The variation trend of the gear load sharing characteristics with load, tooth clearance, and shaft eccentricity angle was studied. The results indicate that the load sharing characteristics of the combiner stage are superior to those of the split stage; the larger the load, the better the two-stage load sharing characteristics; the eccentricity angle of the shaft has a significant impact on the load sharing characteristics of gear transmission system.
Development and Application of Underwater Biomimetic Perception Technology
LIU Yihan, WANG Siyuan, XU Peng
, Available online  , doi: 10.11993/j.issn.2096-3920.2025-0075
Abstract:
With the continuous advancement of underwater technologies, underwater bionic sensing has become one of the key means to promote the advancement of marine science and technology. By mimicking the sensory mechanisms of aquatic organisms—such as seal whisker sensing, fish lateral line systems, and octopus tentacle sensing—this technology enables underwater robots, wearable devices, and other underwater systems to achieve more precise target recognition, positioning, and information acquisition capabilities. This paper reviews the current research status and developmental trajectory of underwater bionic sensing, focusing on the design principles and material selection of bio-inspired sensors, as well as their applications in underwater target detection, robot navigation and obstacle avoidance, and wearable devices. It also explores the practical application prospects and existing challenges of the technology, while highlighting its broad potential in future fields such as underwater robotics, marine exploration, and environmental monitoring. Finally, potential directions for enhancing the performance of underwater bionic sensing and expanding its application scope are proposed.
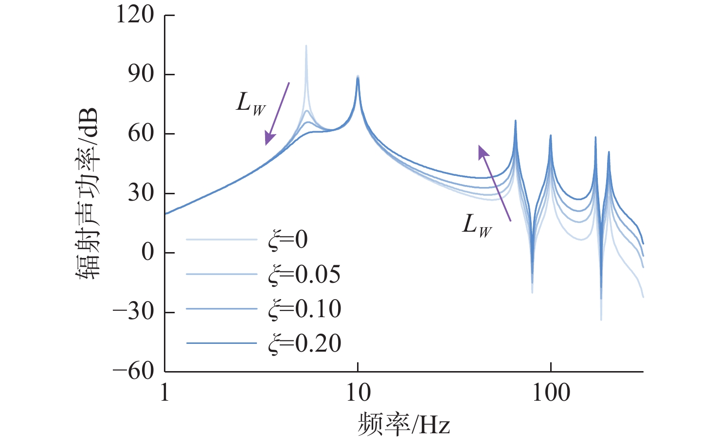
Application of ensemble learning models on ship radiation noise prediction
QIANG Yiming, CHEN Yihong, PEI Yuqing, PANG Yezhen, XIE Shuo
, Available online  , doi: 10.11993/j.issn.2096-3920.2025-0111
Abstract:
Ship radiation noise induced by vibration is a major concern for the comfort and stealthy of commercial ships and warships. An accurate prediction for the distribution and sound level of ship radiation noise can assist effective ship designs to lower vibration and noise. In order to avoid constructing complex functions from multiple vibration sources, this paper used Random Forest(RF) and Gradient Boosting Decision Tree(GBDT) methods to build surrogate models to quickly predict the 1/3 rd octave noise level of different working conditions and measuring points. Ensemble learning models have a better performance on 3 out of 4 conditions compared to Bayesian Regression, with MAE prediction error less than 5 dB. This paper also proposed an optimized version of above models that combines ensemble learning methods and linear regression, which increased prediction accuracy by 1.5 dB. The proposed ensemble learning methods could be an efficient tool for ship radiation noise analysis.
Ship Radiated Noise Recognition Based on Dual Low-Rank Adaptation Training
MA Zhixun, TANG Ning, LI Xuan, HAO Chengpeng
, Available online  , doi: 10.11993/j.issn.2096-3920.2025-0114
Abstract:
To address the limited generalization capability of deep learning models in ship-radiated noise recognition, this paper proposes a dual low-rank transfer learning framework that simultaneously optimizes both model weights and feature representations. Specifically, in the weight space, the pretrained weights are frozen, and a lightweight low-rank weight adjustment(WLoRA) module is introduced to construct learnable low-rank increments. This strategy enables efficient fine-tuning with significantly fewer trainable parameters, thereby mitigating the risk of overfitting. In the feature space, considering the inherent low-rank properties of Mel spectrograms derived from ship-radiated noise, a low-rank feature adjustment(FLoRA) module is designed to compress and reconstruct the extracted features. This explicit low-rank constraint encourages the model to learn compact and discriminative representations that better capture the essential structures of ship-radiated noise. By jointly exploiting low-rank optimization in both the weight and feature dimensions, the framework maximizes the potential of pretrained models and improves transfer learning performance. The experimental results on two publicly available underwater acoustic datasets, ShipsEar and Deepship, demonstrate that the proposed method significantly enhances the performance of transfer learning in the classification model of ship-radiated noise compared to direct fine-tuning of pre-trained models. Furthermore, ablation studies validate the effectiveness of the two low-rank modules.
Blind Source Separation of Single Channel Ship Radiated Noise Based on VMD-FastICA
LI Yuwei, WANG Huiyuan
, Available online  , doi: 10.11993/j.issn.2096-3920.2025-0089
Abstract:
Addressing the challenge of separating different target ship radiated noise signal from mixed signal under extreme conditions where only single-channel signal is available, blind source separation algorithm under single-channel condition is researched. A ship radiated noise blind source separation algorithm based on the improved Fast Independent Component Analysis (Fast-ICA) using Variational Mode Decomposition (VMD) is proposed. Under single-channel condition, the single-channel signal is first decomposed into multiple relatively independent frequency components through VMD, initially achieving the separation of independent frequency0 components. Then, these modes are combined into virtual multi-channel signals to solve the issue that Fast-ICA cannot process single-channel signal. Finally, the combined virtual multi-channel signals are processed using Fast-ICA to further separate independent signal components, thereby achieving single-channel ship radiated noise blind source separation. Simulation and experimental data analysis results show that, both under the influence of environmental noise and without environmental noise, the similarity between the target signals separated by the proposed VMD-FastICA blind source separation algorithm and the original target signals is improved compared to the SSA-ICA algorithm. This demonstrates that VMD-FastICA blind source separation algorithm has good performance for single-channel ship radiated noise signal and can achieve blind source separation of different target ship radiated noise signals under single-channel condition.
Numerical Simulation Study on the Release Process of Underwater Towed Bodies under Different Parameters
Tian Yiwei, LV Rui, Wang Menghao, Li Kui, Zhang Kai, Wang Leilei
, Available online  , doi: 10.11993/j.issn.2096-3920.2025-0072
Abstract:
The underwater towing body is an important component of underwater vehicles. For the requirements such as the design of the towing cable for underwater towing bodies and stable attitude during the release process, this paper constructed the fluid dynamics model of the towed body by the overlapping mesh technology and the achievable $k - \varepsilon $ turbulence model, after when carrying out the unsteady numerical simulation of the release process of the towing body. After the simulation, the paper verified the effectiveness of the grid division and numerical methods by comparing the simulation results with the experimental results. The paper systematically analyzed the influence of towing speed, the position of the barycenter and the buoyant center and the towing point on the release process of the towing body in underwater system. The towing speed affects the stabilization time and attitude stabilization process of the towing body, and the optimal towing speed needed to be determined according to the structure of the towing body. The positions of the barycenter and the buoyant center had a significant effect on the release dynamic characteristics of the towed body, and the design of moving the barycenter forward could reduce the oscillation of the towing body and improve the stability of the system. When the barycenter was close to the buoyant center, the attitude adjustment time of the towed body was shorter and the movement was more stable. The towing point should be selected under the head of the towing body to reduce the change in pitch angle during the release process and improve the stability of the release process. The results of the paper provided an important theoretical basis for the engineering design and release strategy of underwater towing bodies.
A multi-scale convolutional neural network based underwater image enhancement algorithm and edge deployment
ZHANG Jun, LUO Fan, YUAN Zheng
, Available online  , doi: 10.11993/j.issn.2096-3920.2025-0094
Abstract:
This paper proposes a multi-scale convolutional neural network-based underwater image enhancement algorithm to address the problems of noise interference, texture blur, color distortion, and high computational complexity and time consumption of traditional enhancement algorithms caused by water scattering and absorption in underwater visible light images. Firstly, the entire network is designed using the U-Net structure, which combines shallow texture features with deep semantic features to effectively restore the texture and color information of the image. Secondly, in order to reduce the model parameters, a lightweight feature extraction module can be introduced, which can reduce the model parameters and accelerate the convergence of the network. Introducing multi-scale pyramid pooling in the backbone network for extracting multi-scale features compensates for the shortcomings of traditional algorithms in detail restoration. Finally, by combining L1 loss with structural similarity index(SSIM) loss, the network can effectively improve the restoration of image brightness and contrast. In order to reduce the time required for forward inference of the algorithm, the algorithm proposed in this paper was quantified and deployed on an embedded platform. By calling neural processing unit(NPU) resources to accelerate network model inference, the forward inference time on Atlas 200I A2 was only 28ms, meeting the low latency requirements for engineering applications. Through experiments on publicly available underwater datasets, the multi-scale convolutional neural network algorithm proposed in this paper achieved underwater image quality measure(UIQM) and uncertainty in color, intensity, and saturation of an image(UCIQE) of 4.33 and 0.63, respectively, on the test set, demonstrating the effectiveness of the proposed enhancement algorithm.
Study on the water entry process of the vehicle under the restriction of the underwater ice hole
HU Xinyu, WANG Cong, WEI Yingjie
, Available online  , doi: 10.11993/j.issn.2096-3920.2025-0077
Abstract:
The water entry process of a vehicle passing through an underwater ice hole is of great engineering significance in the launching operation of polar ocean detectors and the deployment strategy of related equipment in polar regions. However, the research on the water entry behavior of the vehicle under the ice hole structure is still limited, especially the lack of systematic understanding of the coupling relationship between the cavity evolution mechanism and the dynamic response of the vehicle under the ice hole constraint. Therefore, the numerical simulation method based on computational fluid dynamics(CFD) is adopted in this paper, and the water entry process of the vehicle passing through the underwater ice hole is studied, revealing the coupling characteristics between the flow field structure, cavity evolution, and the motion state of the vehicle under the constraint of the ice hole. The results show that when the vehicle passes through the underwater ice hole, the cavity undergoes the evolution process of contraction first and then expansion, and the fluid resistance also increases first and then decreases. As the vehicle gradually passes through the hole, the velocity around the wall increases significantly, and the asymmetry of the tail flow field intensifies. In addition, the velocity of the vehicle decreases when it passes through the hole, and its turning point is basically consistent with the time of cavity collapse. When the vehicle passes through the hole completely, the motion trajectory deflects. The above findings not only enrich the understanding of water entry dynamics under the constraint of the ice hole but also provide a theoretical basis for the launch path design and structural optimization of polar detectors.
Underactuated AUV backstepping sliding mode horizontal trajectory tracking control based on RBF neural network
WANG Chu, WANG Lei, HU Zhen, HU Baoqiang
, Available online  , doi: 10.11993/j.issn.2096-3920.2025-0076
Abstract:
A backstepping integral sliding mode trajectory tracking control method for underactuated autonomous underwater vehicles (AUV) based on radial basis function (RBF) neural network was proposed to address the challenges of difficult horizontal trajectory tracking control and weak anti-interference ability in complex marine environments. Firstly, a kinematic controller was designed by employing the backstepping control method to obtain virtual control laws and actual control inputs. In the dynamic controller, integral sliding mode control was introduced to account for the uncertainty factors and possible external disturbances of the system. Meanwhile, an RBF neural network was adopted to approximate the unknown nonlinear terms of the system online, effectively resolving the contradiction between the chattering effect and parameter uncertainty in traditional sliding mode control. By taking the error as the input of the RBF neural network and using the output of the RBF neural network as the switching control, the online adjustment of the sliding mode control law was achieved. The simulation results show that, compared with the traditional backstepping sliding mode control, the proposed method can effectively eliminate the "chattering" problem caused by the switching terms in traditional sliding mode control, enabling the system to exhibit fast dynamic response and strong robustness.
Research on Hydrodynamic Characteristics of Self-separation Deploying UUV Based on MRF and Overset Mesh
JIN Cegang, YANG Zhuangtao, ZHANG Tao, DUAN Hao, Yuan Sihuan, Zhu Min, CHEN Weixin
, Available online  , doi: 10.11993/j.issn.2096-3920.2025-0109
Abstract:
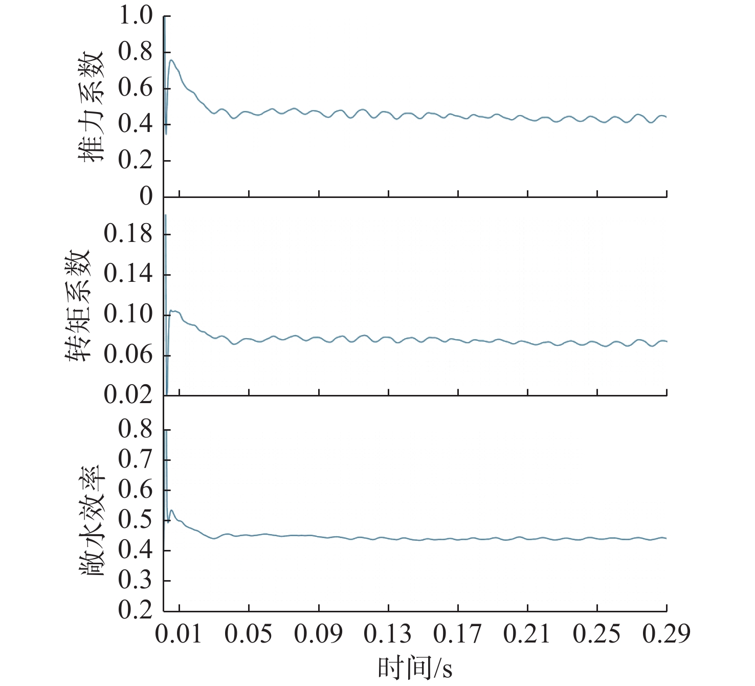
Based on the RANS method, this paper combined multi-reference frame (MRF) with the overset mesh to established a numerical calculation method suitable for studying the separation problem of self-separation deploying UUV and more other two-bodys separating systems. According to typical cases studied, comparing and analyzing the simulation results with the model test results, the results showed that the accuracy of this method meeted the engineering application requirements. This paper further researched on the hydrodynamic characteristics of self-separation UUV during deployment. Multiple steady-state conditions were selected to compare and analyze the hydrodynamic characteristics of typical rotary UUV in the deployment state and the free state. The research results were as follows: Under the wake field of the deployment device, the UUV was significantly disturbed, with position force coefficients including resistance coefficients and pitching moment coefficients changes ranging from 7.12% to 343.04%, rotational force coefficients changes ranging from 22.81% to 97.16%, and steering force coefficients changes ranging from 11.83% to 164.98%, the operability of the UUV was significantly less than that in the free state. This paper aimed to efficiently analyze the changes in the hydrodynamic characteristics of self-separation deploying UUV during deployment, revealed the interference characteristics of the wake field, and provided a certain theoretical basis for the optimization of the deployment scheme and the design of control strategies.
Human Factors Engineering Analysis for Underwater Carries
ZHOU Junyu, LI Yaolong, ZHANG Ou
, Available online  , doi: 10.11993/j.issn.2096-3920.2025-0058
Abstract:
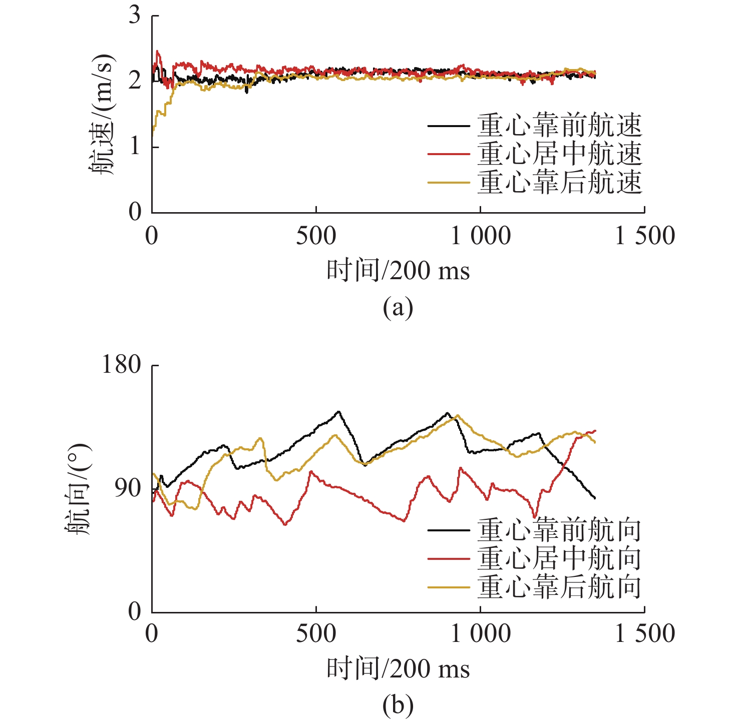
Currently, the study of diver-operated underwater vehicles (DPV) and underwater propulsion systems were mostly focus on the vehicle's structure, power sources, acoustic communication, and sonar navigation, with little consideration given to optimizing the stability of underwater vehicle navigation from a human factors engineering perspective. This paper, grounded in human factors engineering theory, examines three key human factors—center of gravity distribution, the use of different diving equipment, and fatigue levels—when divers operate these vehicles. Using a specific type of underwater vehicle as a test case, the study conducts theoretical research and experimental analysis. Finally, it summarizes the directions for optimizing human factors engineering in underwater vehicles, offering new research insights for the future development and design of these systems.
Design of Cross-Domain Relay Buoy Communication System Based on Multi-source Communication Links
LI Guangsheng, FENG Jie, BAI Jun, LI Yalan
, Available online  , doi: 10.11993/j.issn.2096-3920.2025-0069
Abstract:
Aiming at the problems of limited communication modes, low reliability, weak scalability, and high power consumption existing in deep-sea submersible communication methods, this paper proposes a cross-domain relay buoy communication system design method based on multi-source communication links. Firstly, the composition, working principle and working mode of the buoy communication system are introduced, and the system hardware design scheme with multiple communication methods and high scalability is described. Secondly, an optimal communication link selection strategy is proposed, which can dynamically select the optimal communication link according to the real-time status assessment of each link, so as to improve the reliability and stability of system communication. Additionally, the data retransmission mechanism is introduced to effectively address the abnormal communication problems such as communication interruption and data packet loss, so as to ensure the accuracy and integrity of system communication. Finally, the system power management and power consumption optimization are designed, and a low-power control strategy is proposed to realize the refined management of system power supply and efficient low-power operation. Experimental results demonstrate that the design method of the buoy communication system proposed in this paper is feasible and feasible, which can effectively solve the problems existing in the deep-sea submersible communication methods, which can achieve real-time data transmission of submersible targets across domains, and provide technical support for improving the information transmission ability of underwater detection equipment.
Optimized Smith Predictor Combined with HCOPSO Algorithm for Unman Surface Vehicle Heading Control
LI Zhiqi, LIU Lanjun, CHEN Jialin
, Available online  , doi: 10.11993/j.issn.2096-3920.2025-0104
Abstract:
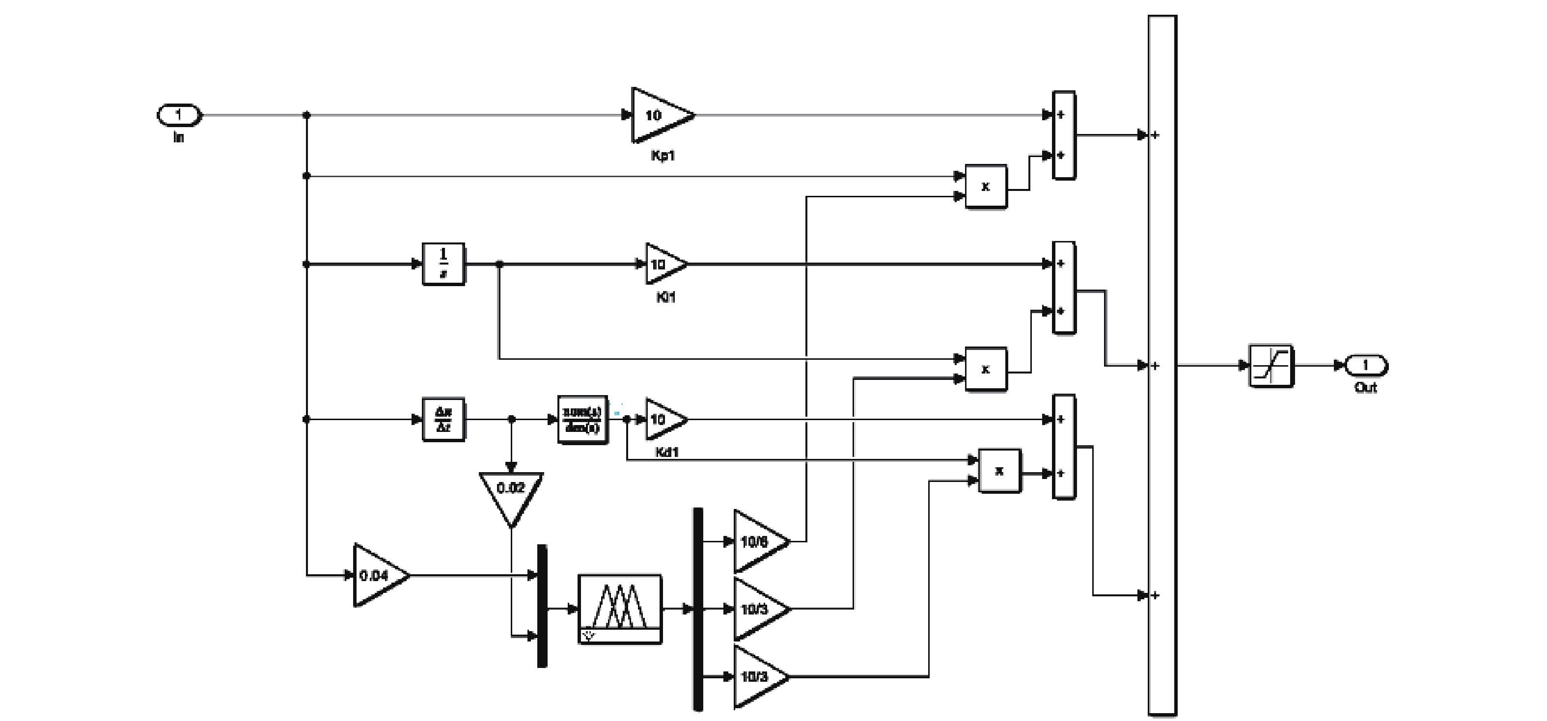
In the heading control of high-speed unmanned surface vessel(USV), the presence of time delay elements in both the forward channel and feedback loop significantly degrades the system's overall performance. Moreover, a larger delay to dynamic time ratio further exacerbates the control difficulty. Conventional Smith predictors can only effectively compensate for time delays in the forward channel and are ineffective against time delays in the feedback loop. In this paper, the time delay in the feedback loop is incorporated into the design of the Smith predictor, constructing a predictive model that accounts for time delays in both directions. This approach allows for simultaneous compensation of time delays in both the forward and feedback paths, thereby significantly reducing the erosion of the system's phase margin caused by bidirectional time delays. Furthermore, a hybrid mean center opposition based learning particle swarm optimization (HCOPSO) algorithm is introduced for the parameter tuning of the PID controller. This algorithm employs a mean center opposition - based learning strategy in the early stages of iteration to expand the search range and utilizes an adaptive compression factor in the later stages for fine-tuning. Thus, it combines the advantages of both global exploration and local exploitation. Simulation results based on a USV heading model demonstrate that the improved Smith predictor PID controller shows significant improvements in system overshoot and settling time compared to conventional PID controllers and traditional Smith predictor PID controllers, with a steady-state error of less than 0.1°. When the compensation model of the optimized Smith predictor contains parameter deviations, the system can still maintain good dynamic stability and steady-state accuracy. Additionally, when comparing the HCOPSO algorithm with other algorithms such as PSO, GA, and WOA for parameter optimization of the improved Smith predictor PID controller, the HCOPSO algorithm achieves an ITAE index that is respectively 55.38%, 22.47%, and 24.63% lower than those obtained by PSO, GA, and WOA, and it exhibits stronger disturbance suppression capability and faster heading recovery performance under different disturbance scenarios, which further verifies the effectiveness of the proposed method.
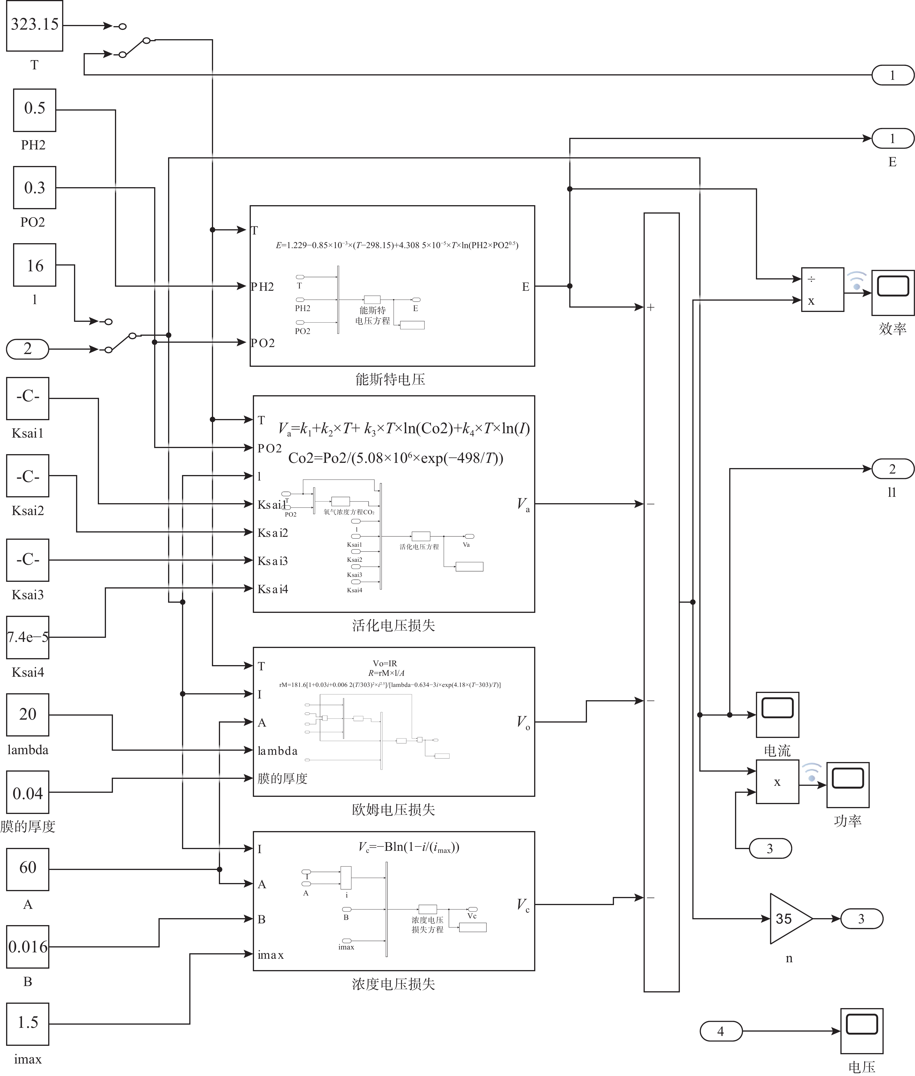
Simulation of PEMFC Voltage Stabilization System for Underwater Unmanned Power Platform Based on Fuzzy Control
BIAN Yangzhen, XIAO Zongliang, YANG Jian, ZHONG Quanming, DING Yi, ZHANG Lin
, Available online  , doi: 10.11993/j.issn.2096-3920.2025-0061
Abstract:
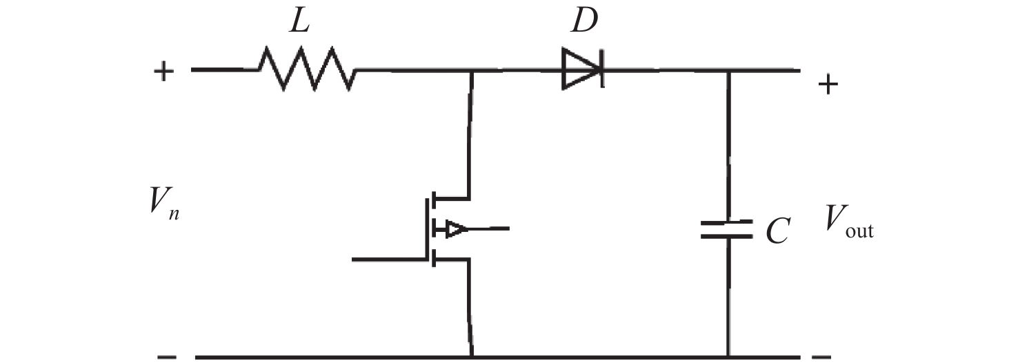
Aiming at the demand of underwater unmanned power platform for efficient and stable energy system, this paper focuses on the problem of strong nonlinearity and easy fluctuation of the output voltage of proton exchange membrane fuel cell (PEMFC), and proposes a DC-DC converter voltage stabilization strategy based on the fuzzy PID adaptive control.Due to the strong nonlinear characteristics of the output voltage of the PEMFC and its easy to fluctuate, the traditional control methods have limitations in the dynamic response and robustness. limitations of traditional control methods in terms of dynamic response and robustness. In this study, a mathematical model of PEMFC (including Nernst voltage and activation, ohmic, and concentration loss) and a Boost boost circuit model are established to analyze the voltage fluctuation mechanism. The core innovation lies in the design of a fuzzy PID controller with a rule base that deeply couples the PID control principle with the nonlinear characteristics of PEMFC, which realizes the online dynamic self-tuning of proportional, integral, and differential parameters to optimize the DC-DC converter duty cycle in real time. The results show that compared with the traditional PID, the fuzzy PID control can shorten the system regulation time , the steady-state error tends to be close to zero, the output voltage fluctuation range is narrowed to within ±0.5V under the sudden current change condition, and the duty cycle response is more accurate. The fuzzy PID adaptive strategy significantly enhances the dynamic response speed and robustness of the system, providing a reliable theoretical cornerstone and solution for the efficient and stable fluctuation of the energy heart of the underwater unmanned platform.
A Fast Calibration Method for Underwater Camera Intrinsic Parameters Based on Refraction Model
CHEN Junfeng, JIA Guotao, LI Xueyan, LI Yantian, WANG Xian
, Available online  , doi: 10.11993/j.issn.2096-3920.2025-0064
Abstract:
To address the low operational precision caused by inaccurate camera intrinsic parameters in underwater visual tasks, a fast calibration method for underwater cameras is proposed. A single image containing two sets of mutually orthogonal parallel lines is used in the proposed method. By solving the vanishing points of these lines on the image plane, an orthogonal relationship related to the equivalent focal length is established. This enables the intrinsic parameters of the camera to be determined. To address the underwater imaging distortion problem, the distortion coefficients are solved using the second-order radial distortion model with the minimum reprojection error as the optimization objective, thereby achieving the distortion calibration of underwater images and improving the accuracy of intrinsic parameter calibration. Furthermore, the accuracy of the method in restoring images is demonstrated by comparing in-air target images with their equivalent air images of underwater targets. Experimental results indicate that the proposed method is simple to operate, significantly reduces environmental requirements during camera calibration, effectively enhances calibration speed while maintaining a certain level of accuracy, and is suitable for calibration tasks of underwater cameras.
Research and Implementation of Aperture Measurement Method for Irregular Broken Hole of Target Plate
ZHANG Jianting, JIANG Xiaopeng, QU Chunliang, ZHANG Xitong, XU Bo
, Available online  , doi: 10.11993/j.issn.2096-3920.2025-0051
Abstract:
In this paper, the method of flow comparison is used to measure the irregular hole diameter of target plate, which is close to the actual working condition, simple and easy to implement, reliable and low in use cost, and solves the technical problems of irregular hole diameter measurement. Accurate measurement of hole size by taking irregular holes as regular holes has special characterization significance for underwater damage effectiveness evaluation. This method can also meet the needs of similar irregular aperture measurement in different industries.
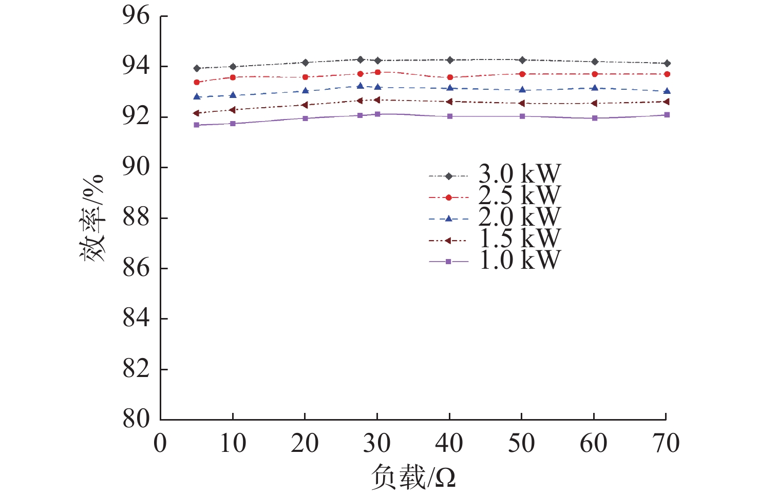
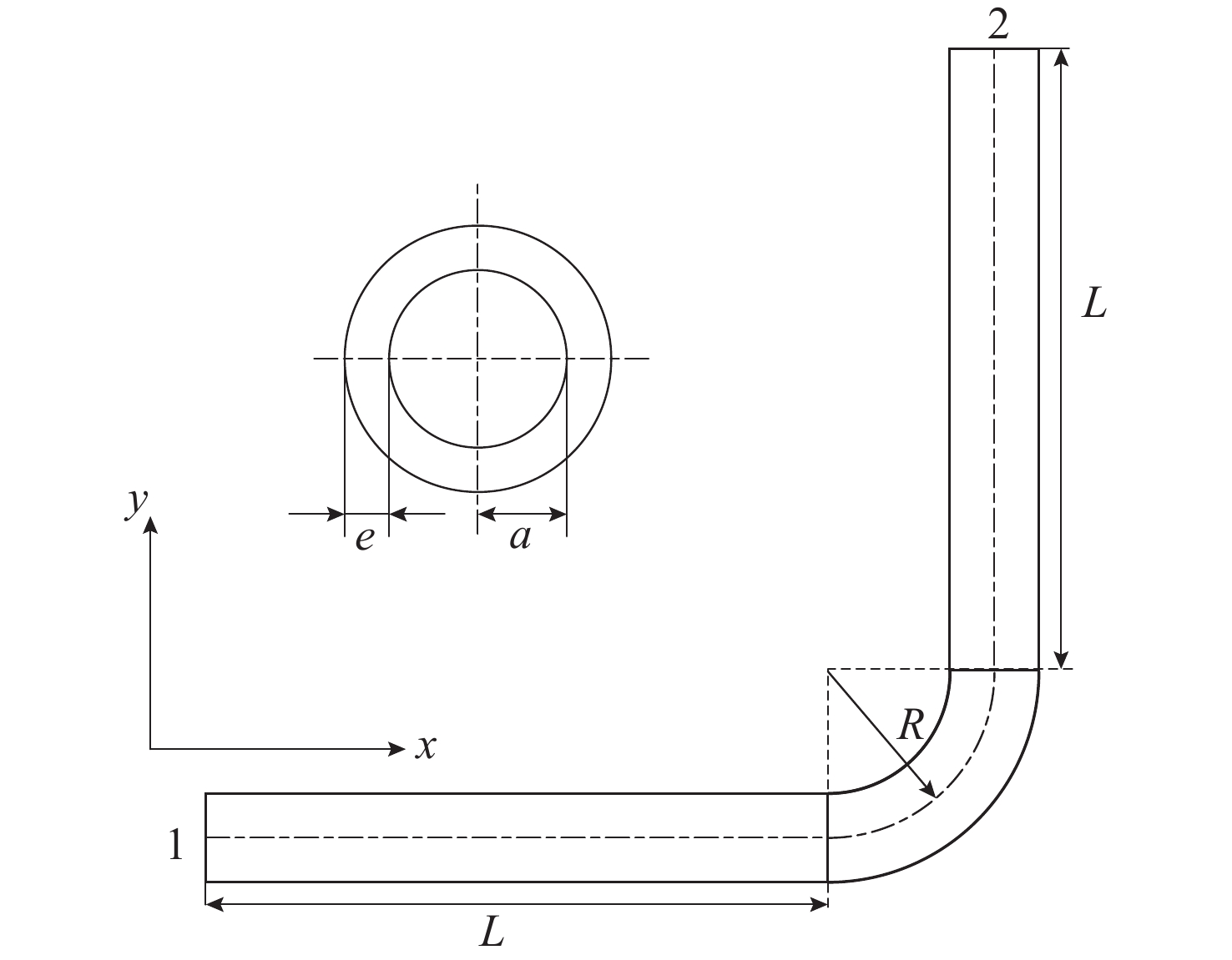
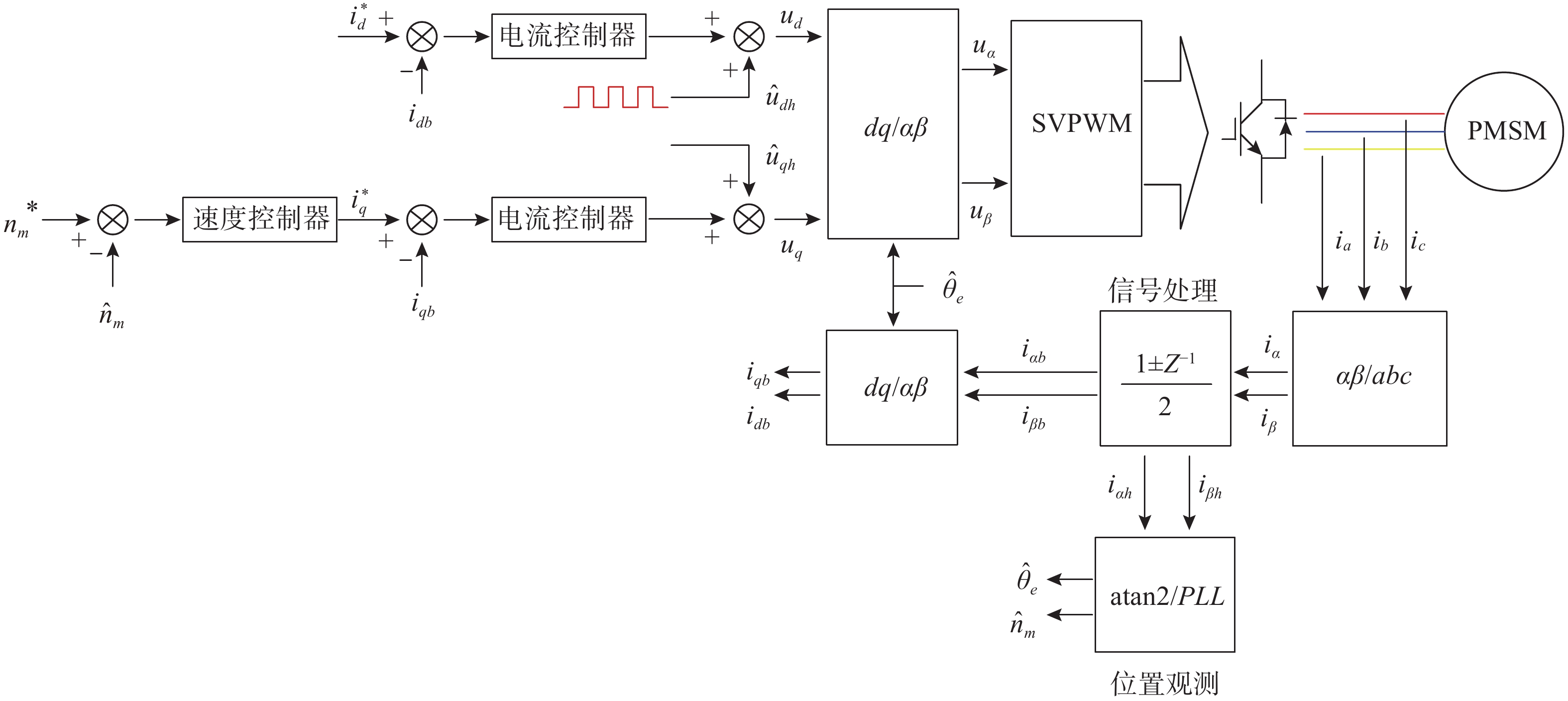
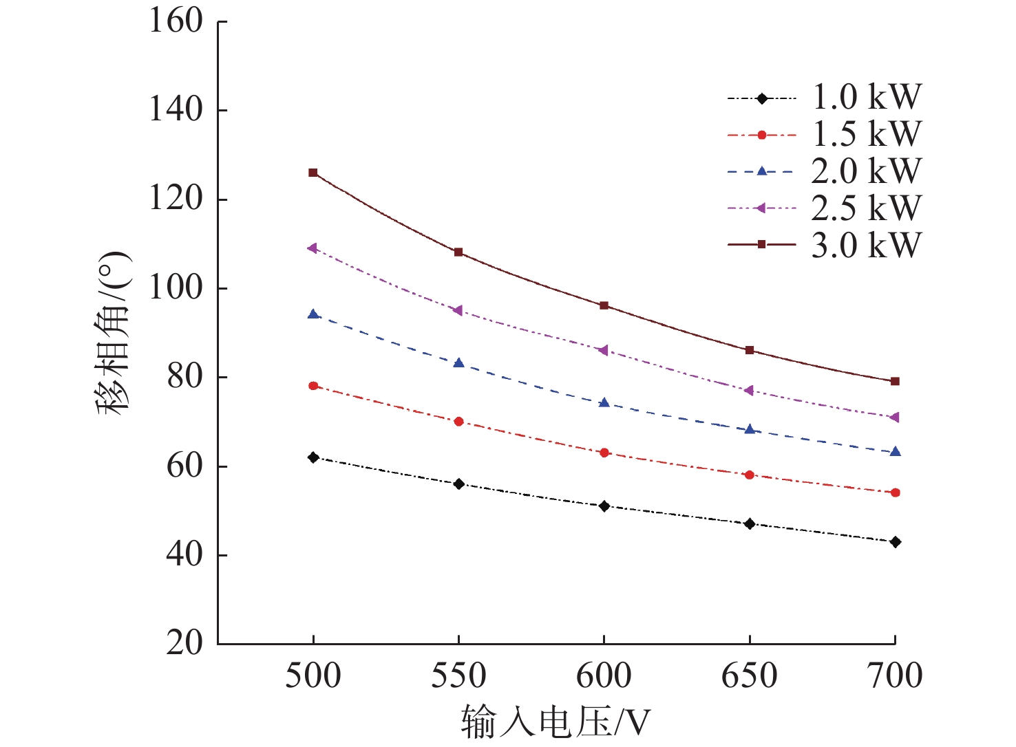
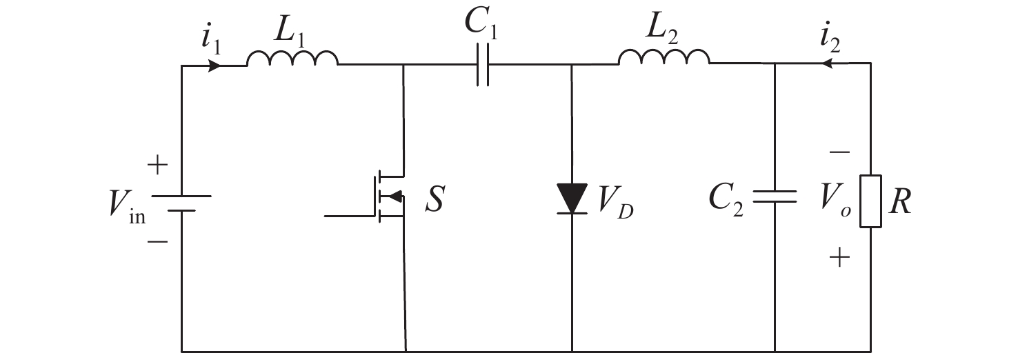
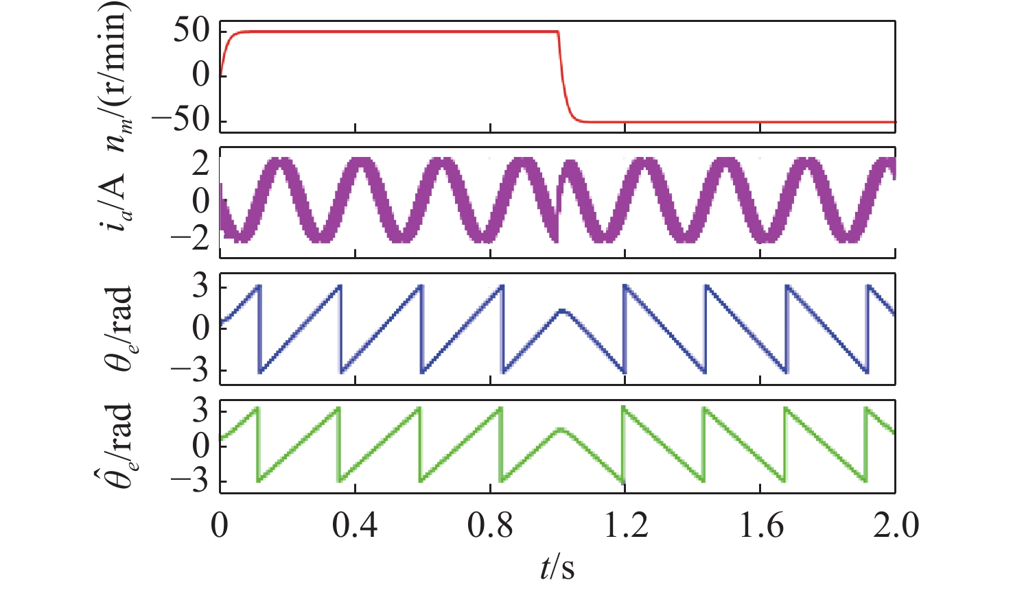
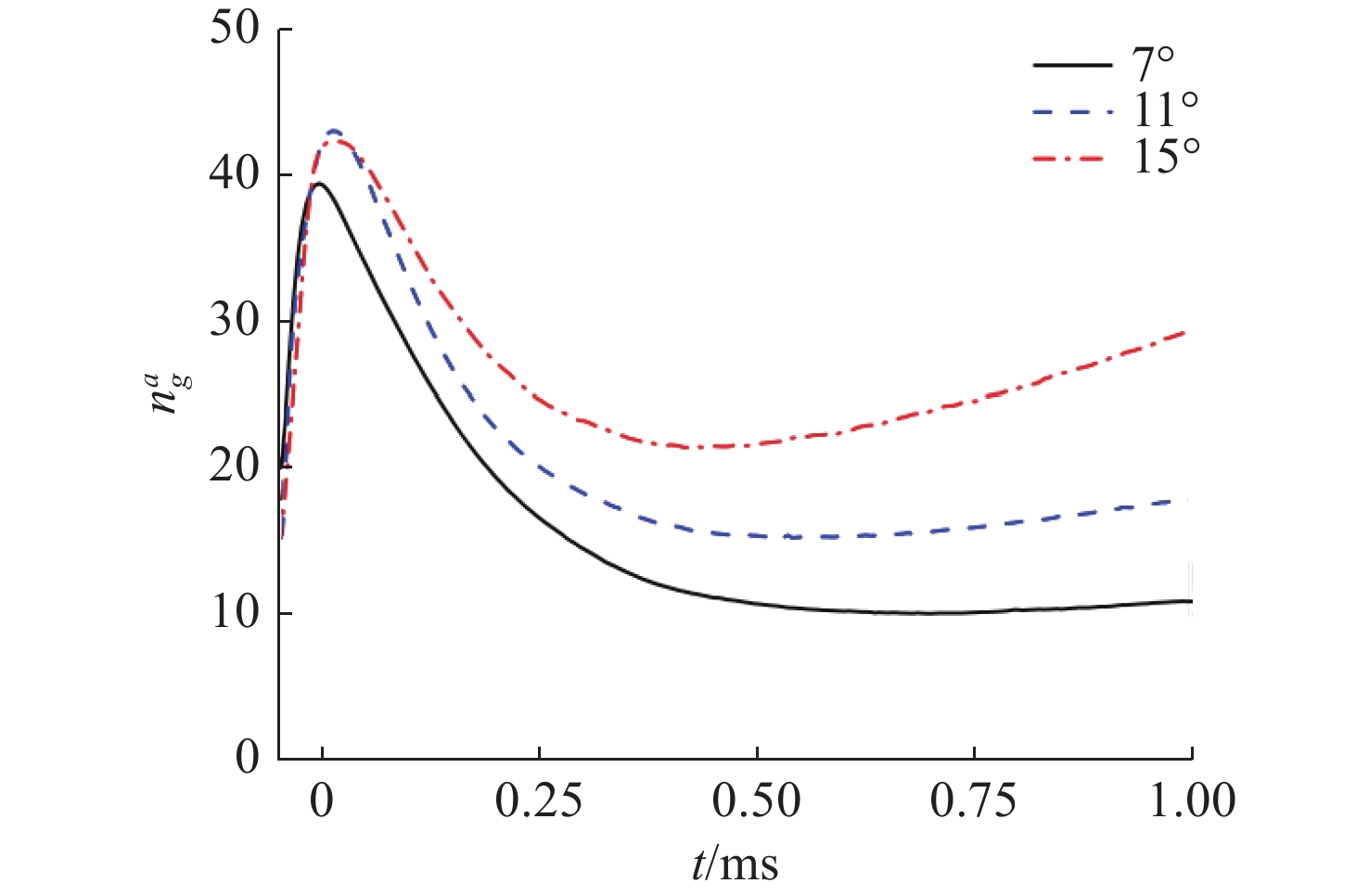
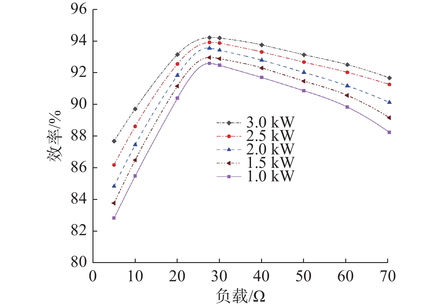
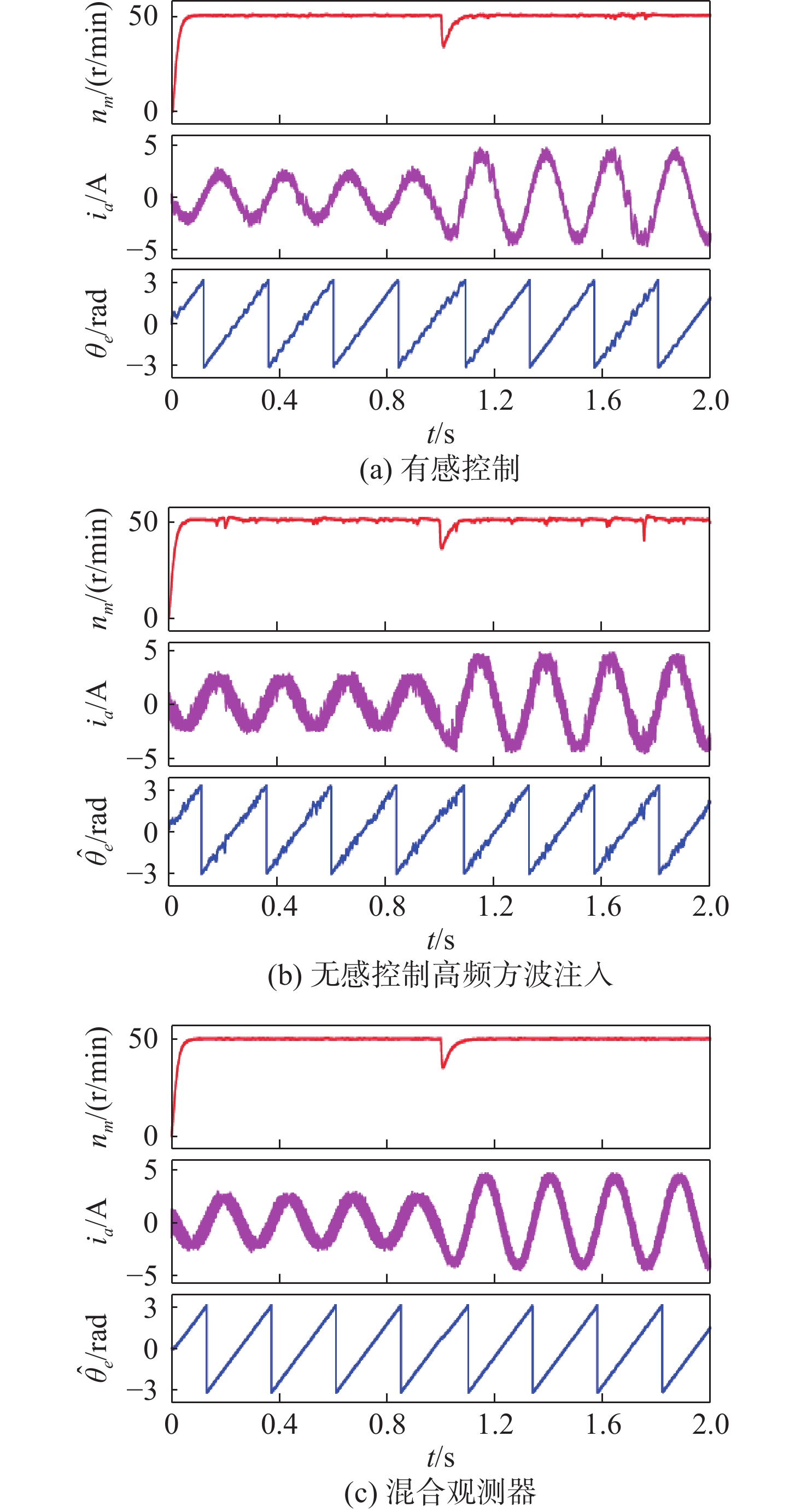
Maximum efficiency tracking and wide power regulation composite control method for underwater MC-WPT system
LI Hao, QIAN Linjun, LI Shenghong, WANG Feng, LI Zhiqiang
, Available online  , doi: 10.11993/j.issn.2096-3920.2025-0065
Abstract:
Addressing the requirements of maximum efficiency transmission and varying power output for underwater unmanned vehicle wireless charging systems, a composite control method that can both achieve maximum efficiency tracking and adjust output power is proposed in this paper. Firstly, the influencing factors of transmission power and efficiency in underwater MC-WPT systems are analyzed. Focusing on the seawater medium environment, the issue of eddy current loss in the coupling mechanism needs to be considered. A joint simulation method of magnetic field and circuit is adopted to obtain the equivalent resistance of the coupling mechanism's eddy current, and the optimal load is calculated. Secondly, impedance matching is achieved by cascading Cuk converters at the receiving end to track maximum efficiency, while wide power range adjustment is realized by controlling the phase shift angle of the inverter at the transmitting end. In this composite control method, the efficiency and power control loops do not interfere with each other. Finally, a system simulation model was constructed, and an experimental prototype of the MC-WPT system was built. The correctness of the theoretical analysis and proposed methods in the paper was verified through simulation and experiment. The experimental results showed that after introducing the maximum efficiency tracking method, the optimal efficiency could be achieved under various load conditions. Taking the output of 2 kW and a load of 5 Ω as an example, the efficiency increased from 84.8% to 93.1%. In the experiment, when the input voltage varied, power output ranging from 1 kW to 3 kW was achieved at maximum efficiency by adjusting the phase shift angle. Both simulation and experiment demonstrate that the system can maintain high efficiency operation at all times and adjust the output power in real-time according to demand.
Analysis of Spatiotemporal Characteristics for Underwater Target's Comprehensive Magnetic Field
DONG Xinyu, WANG Honglei, YANG Yixin
, Available online  , doi: 10.11993/j.issn.2096-3920.2025-0073
Abstract:
The accurate modeling of the radiated magnetic field of underwater targets is of great significance to the development of magnetic detection technology. The target radiation magnetic field mainly consists of magnetic anomaly field and wake magnetic field, while the magnetic sensor usually receives the total magnetic field signal during detection. Current research mainly focuses on the simulation analysis of magnetic anomaly fields and wake magnetic fields respectively, lacking systematic studies on the radiation mechanism, propagation model, spatiotemporal characteristics and attenuation laws after their integration. This makes it difficult to effectively promote the development of underwater target magnetic detection technology. To this end, this paper proposes a method for analyzing the spatiotemporal characteristics of the comprehensive magnetic field of underwater targets. COMSOL and MATLAB software are used to model and study the magnetic anomaly field and wake magnetic field respectively. By integrating the two magnetic field models through vector superposition, the spatiotemporal characteristics and attenuation laws of the target's radiated magnetic field are comprehensively analyzed, which improves the solution efficiency and model accuracy of the comprehensive magnetic field. At the same time, it reveals the specific influence law of the target motion parameters on the comprehensive magnetic field, providing theoretical support for the high-precision modeling of underwater target magnetic detection.
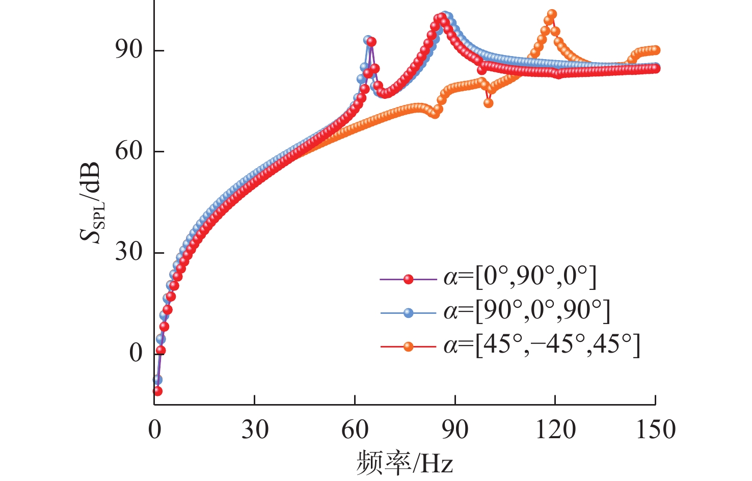
Research on the Extraction and Recognition of Space-Time-Frequency Features for Underwater Moving Targets
LIU Xiaochun, YANG Yunchuan, HU Youfeng, WANG Chenyu, LI Yongsheng
, Available online  , doi: 10.11993/j.issn.2096-3920.2025-0067
Abstract:
Aiming at the issue of inadequate bearing-angle adaptability in active sonar target recognition, this paper elaborates on the physical mechanism of active sonar target information perception from wave equation theory. Based on generalized multiple signal classification(MUSIC) spatial spectrum estimation, a novel method is proposed for acquiring the pseudo three-dimensional spatial feature of underwater targets by incorporating distance information, thereby effectively enhancing the adaptability of spatial features across different bearing angles. Additionally, research is conducted on methods to enhance Pseudo Wigner-Ville Distribution(PWVD) time-frequency features and extract Doppler frequency shift distribution features of moving targets. By leveraging the complementary advantages of these two algorithms, the bearing-angle adaptability is further improved. To address the challenge of scarce and imbalanced underwater target samples, the concept of meta-learning is integrated to construct a data-level fusion target recognition network that incorporates spatial, time-frequency, and Doppler domain features. The network is trained and tested using simulation and experimental data. The results demonstrate that the fusion features significantly improve the bearing-angle adaptability and anti-interference capability, providing a novel approach for the development of intelligent underwater target recognition technology.
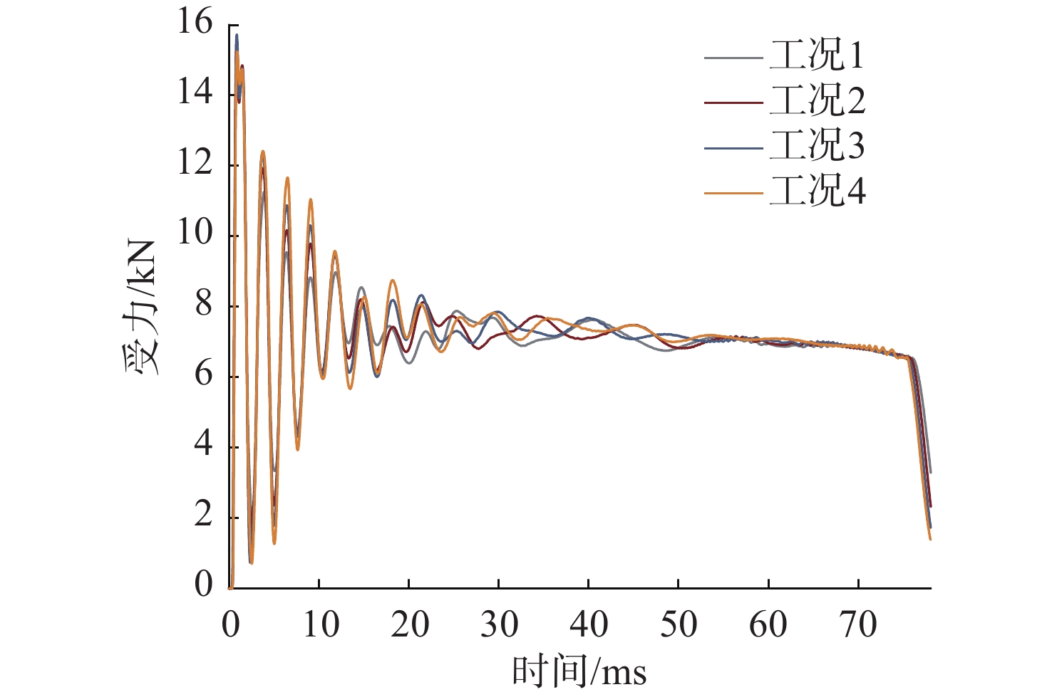
Analysis of the Impact of Shock Waves on the Safe Exit of the Rocket-assisted Vehicle Nose Cap during the Thermal Emission Process of a Concentric Canister Launcher
LIU Gangqi, YUAN Xin, GAO Shan, CUI Canli, HUANG Yuxuan
, Available online  , doi: 10.11993/j.issn.2096-3920.2024-0156
Abstract:
In response to the impact of shock waves on the safety of the rocket-assisted vehicle nose cap during the concentric tube thermal launch process, computational fluid dynamics (CFD) software was used to numerically simulate the ignition and launch process. The propagation process of shock waves and gas generated by solid rocket motors in the concentric tube was analyzed in detail, and the force variation curve of the nose cap under the action of shock waves was obtained, revealing the force mechanism of the nose cap inside the tube under the action of shock waves. The test data of the shock wave opening process during the field test of a certain product further illustrates the force variation process of the nose cap in the shock wave environment. The research results contribute to a clear understanding of the mechanism of force changes on the nose cap under the shock wave during the thermal emission process of concentric cylinders, and can be used to guide the safety design of the nose cap exiting the cylinder.
Service
Subscribe